製品に関するお問い合わせはこちら
お問い合わせ
より詳しい仕様が知りたい方
カタログダウンロード
特長
砥石オートバランサ導入効果
砥石交換時間 半分以下
(工数比較:熟練作業員43 分 VS オートバランサ18 分)
誰でも安全、自動、理想的な動バランス状態に
切削抵抗の安定による加工精度の向上

高精度バランス修正
PULCOM AB-10は高性能DSP( Digital Signal Processor)の採用と共に、動作アルゴリズムについては東京精密が得意とする三次元測定機、真円度測定器の技術を統合し最適化。従来のバランス方法とは異なり、おもりを動かした時に生じるわずかな振動量の変化から補正おもりの最適位置を予め算出し、おもりを高精度に制御します。これにより安定して安全かつ確実なバランス修正を行います。

加工品質の維持と向上
PULCOM AB-10は砥石台の振動を監視し、振動レベルが規定値を超えるとバランス修正が必要であることをNCに通知します。砥石のアンバランスによる不良発生を未然に防ぐことが可能です。
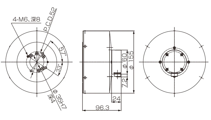
外観図
コントローラ

振動センサ

標準容量バランスヘッド
非接触式
(400 ~ 2000 gcm)

標準容量バランスヘッド
ブラシ式
(400 ~ 2000 gcm)

中容量バランスヘッド
非接触式
(3000 ~ 6000 gcm)

中容量バランスヘッド
ブラシ式
(3000 ~ 6000 gcm)

大容量バランスヘッド
非接触式
(7500 gcm)

大容量バランスヘッド
ブラシ式
(7500 gcm)

仕様
✓:対応 ー:非対応
基本仕様 | |
品名 | PULCOM AB-10 |
代表型式 | BH-65xx |
表示方式 | 蛍光表示管+LED |
表示項目 | 振動値 / 回転数 |
表示分解能 | 0.01 ㎛ |
表示単位 | 0.01 ㎛/rpm |
ヒューマンインターフェイス | シートキー |
IP 等級 | IP54(フロントパネルのみ) |
使用周囲温度/湿度 | 0 ~ 50℃ 10 ~ 90% R.H. |
耐振動 / 耐衝撃 | ー |
CE マーク | 適合 |
外観寸法(W)×(D)×(H) / 質量 | 168 × 147.5 × 85 mm/約 2.3 kg |
電源電圧 / 消費電力 | 非接触式:DC24 V ±10%、ブラシ式:AC100 ~ 240 V 24 W(ACアダプタ) |
付属品 | ー |