Γα
Features
Standard model dedicated to repeatability
Repeatability : 0.1 μm (4σ)
Temperature characteristics : 0.08 μm/℃ (0.8 μm/10℃)
■Versatile standard model
* Reference range according to our standard measurement conditions
The model to focus Retract stroke. Easy layout in various workpiece
Retraction stroke : 12.0 mm
■Compatible with various workpieces and applications
■High repeatability with excellent thermal stability.
* Reference range according to our standard measurement conditions
Maximum Precision
Γ α incorporates material and component upgrades while maintaining basic proven structure of Γ II and Γ III.
Γ α S achieves repeatability of 0.1 µm (4σ).
Temperature characteristics are improved, accomplishing 0.08 μm/℃ 0.8 μm/10℃.
High-precision measurement is achieved, as Γα is resistant to temperature fluctuation experienced in a production environment.
High durability
Double sealing boots prevent damage and improve durability.
An enhanced fulcrum improves overall stiffness, giving reliable and accurate measuring.
Versatility
Γ α is highly versatile and can be used to replace existing gauges such as Γ II and Γ III.
Γ α has universal mounting features, meaning it can be used to replace other suppliers conventional models with no modifications to existing fixturing.
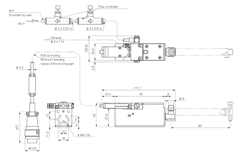
External view
Specifications
| Γα S | Γα L | ||||||
| Standard | Large retraction | ||||||
| Model | Cable 3m | S-0003 | S-1003 | S-0103 | S-1103 | L-1003 | L-1103 |
| Cable 6m | S-0006 | S-1006 | S-0106 | S-1106 | L-1006 | L-1106 | |
| Air retraction | ー | 〇 | ー | 〇 | 〇 | ||
| Damping | ー | ー | 〇 | 〇 | ー | 〇 | |
| Size shift function | ー | ー | |||||
| Standard finger length(mm) | 90 | ||||||
| Repeatability | ≤ 0.1 μm (4σ) (Within ±800 μm) see note ≤ 1.0 μm (4σ) (Out of ±800 μm) |
≤ 0.2 μm (4σ) (Within ±800 μm) ≤ 1.0 μm (4σ) (Out of ±800 μm) |
|||||
| Linearity | ≤ 0.5% F.S. | ||||||
| Measuring force | 1.5 ±0.15 N | ||||||
| Linear range | ±2000 μm | -800 ~ 2000 μm | |||||
| Pre travel | Standard | 0.45 ~ 0.55mm | 0.12 ~ 0.15mm | 0.45 ~ 0.55mm | 0.12 ~ 0.15mm | ||
| Maximum | 2.1 ~ 2.4mm | 0.9 ~ 1.2mm | |||||
| Retract type | ー | Air type (Retract by air supply) |
ー | Air type (Retract by air supply) |
|||
| Retract stroke | ー | 1.2 ~ 1.7mm (Max 6.5 ~ 7.0 mm) |
ー | 1.2 ~ 1.7 mm (Max 6.5 ~ 7.0 mm) |
12.0 ~ 12.5mm | ||
| Retract mechanism | ー | Single acting air cylinder (0.3 MPa ~ 0.5 MPa) Compressed air purity class [2:4:3] |
ー | Single acting air cylinder (0.3 MPa to 0.5 MPa) Compressed air purity class [2:4:3] |
|||
| Temperature characteristic | 0.08 μm/℃ | 0.11 μm/℃ | |||||
| Waterproof standard | IP67 compliant | ||||||
| Cable thickness/length | Φ 4.5×3m, 6 m | ||||||
| Weight (Body) | Approx. 0.5 kg | ||||||