Features
Grinding Wheel Auto-balancer Advantages
Reduce more than half of normal Grinding Wheel Exchange time
 (Comparison: Fully Trained staff: 43 mins vs. Auto-balancer: 18 mins)
Special skill is not required to achieve ideal dynamic balance status safely and automatically
Improved grinding process quality by preventing vibration
 
				High-precision Balancing
PULCOM AB-10 is optimized through adoption of high performance DSP (Digital Signal Processor) and algorithm based on technologies for Accretech's (Tokyo Seimitsu's) coordinate measuring machines and roundness measuring machines. Unlike conventional balancing methods, it calculates the optimal balance correction position in advance, based on slight vibration change that occurs when a weight is moved. The weight position is controlled with high-precision. Balancing therefore, can be achieved safely in a short time.
 
				Maintaining and improving the processing quality
PULCOM AB-10 monitors the vibration of the grinding spindle, and if the vibration level goes beyond a preset threshold, a signal will be sent to the NC. This system prevents defects caused by unbalanced grinding wheels.
External view
Controller
 
				Vibration sensor
 
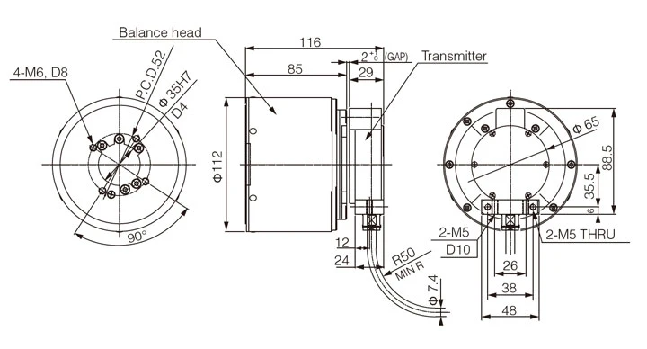
				Standard volume balance head
Non-contact type
(400 to 2000 gcm)
 
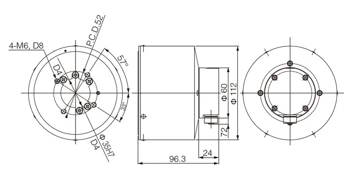
				Standard volume balance head
Brush type
(400 to 2000 gcm)
 
				Medium volume balance head
Non-contact type
(3000 to 6000 gcm)
 
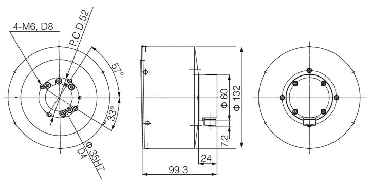
				Medium volume balance head
Brush type
(3000 to 6000 gcm)
 
				Large volume balance head
Non-contact type
(7500 gcm)
 
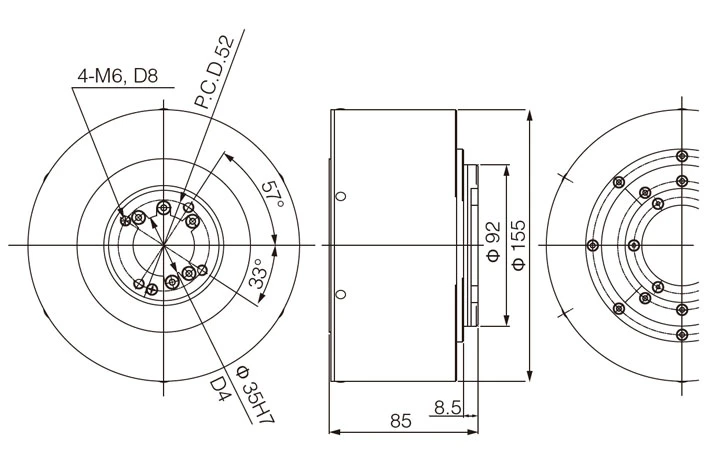
				Large volume balance head
Brush type
(7500 gcm)
 
				Specifications
✓:Available ー:Not available
| Basic specifications | |
| Product name | PULCOM AB-10 | 
| Model number(representative) | BH-65xx | 
| Display method | Fluorescent display tube + LED | 
| Display items | Vibration level/rpm | 
| Resolution | 0.01 ㎛ | 
| Display unit | 0.01 ㎛/rpm | 
| Human interface | Sheet key | 
| IP code | IP54 (Front panel only) | 
| Ambient usage temperature /Humidity | 0 to 50°C/10 to 90% R.H. | 
| Vibration resistance/Shock resistance | ー | 
| CE mark | Conformed | 
| Outer dimensions (W) × (D) × (H) / weight | 168 x 147.5 x 85 mm/Approx. 2.3 kg | 
| Power source / power consumption | Non-contact type: DC24 V ±10%, Brush type: AC100 to 240 V 24 W (AC adapter) | 
| Accessories | ー | 
 
            