Junction Connector Sensor Head
machining center
ATC
Chips
ATC Runout Detection System

Junction Connector Sensor Head

Features

Reduced downtime due to the increased ease of sensor replacement

When this is replaced by the junction connector sensor head, replacement is possible afterward by purchasing single items of the 3 m sensor head side or 7 m cable. Due to the structure with the 3 m sensor head side and the 7 m cable, the sensor replaceability, the workability, and the maintainability are greatly improved.

Junction part
Junction connector protective case,Junction connector part

External view

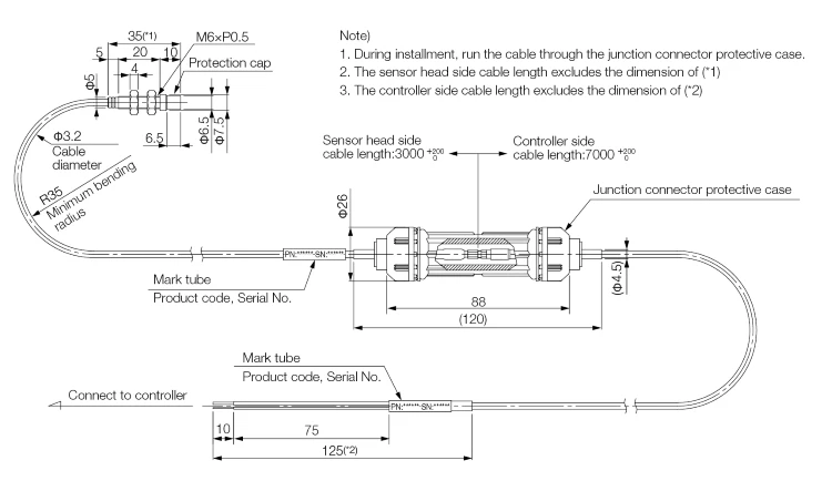
■Junction connector sensor head(Unit:mm)

Junction connector sensor head

■Fixing bracket (2 pcs)

Fixing bracket (2 pcs)

Specifications

Model E-DT-ED10-HC
Sensor head side : E-DT-ED10-H Controller side : E-DT-ED10-C
Measurement function Runout detection of tool holder flange
Sensor head mounting range 1.0 ± 0.1 mm from the tool holder flange surface
Measuring range 0.2 mm
Dimension Sensor head side : 3 m  Controller side : 7 m
Usage
environment
Ambient temperature AT50361 / AT50377 : 0 ~ 40℃、E-RD10 : 0 ~ 50℃
Protective structure IP67 (excluding the junction connector part and the junction connector protective case)
Controller AT50361、AT50377、 E-RD10