Precision Measuring Instrument
Specifications
Basic specifications | |||||||||
Product name | Stand | ||||||||
Model | E-ST- 100HB80 |
E-ST- 100HB95 |
E-ST- 100HB-F80 |
E-ST- 100HB-F95 |
E-ST- 100CB-80 |
E-ST- 100CB-95 |
E-ST- 100DB-80 |
E-ST- 100DB-95 |
E-ST-MAC |
Product code | 0901758 | 0901759 | 0901762 | 0901763 | 0901750 | 0901751 | 0901754 | 0901755 | 0901782 |
Stand type | Grooved | Grooved | Flat | Flat | Grooved | Grooved | Flat | Flat | - |
Stand size | 90×84 mm | - | |||||||
Stand pocket | 55 mm | 180 mm | |||||||
Maximum measuring height | 100 mm | 230 mm | |||||||
Outer dimensions (W) × (D) × (H) |
100×150×280 mm | 50×94.2×259 mm | |||||||
Weight (Body) | Approx. 7.0 kg | Approx. 6.5 kg | Approx. 1.2 kg | ||||||
Combination detector | With the exception of 95-6B Plunger & lever type |
E-DT-95-6B Lever type |
With the exception of 95-6B Plunger & lever type |
E-DT-95-6B Lever type |
With the exception of 95-6B Plunger type |
E-DT-95-6B | With the exception of 95-6B Plunger type |
E-DT-95-6B | Lever type |
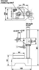
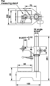
External view

E-ST-100HB
With cam type lift
With cam type lift

E-ST-100CB

E-ST-100DB

E-ST-MAC