Features
Various applications supported
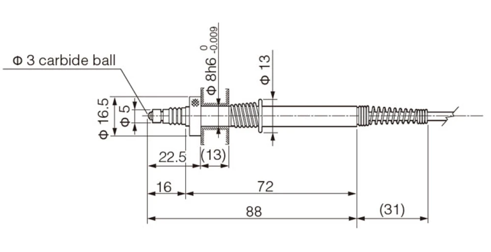
This is the most standard detector. 
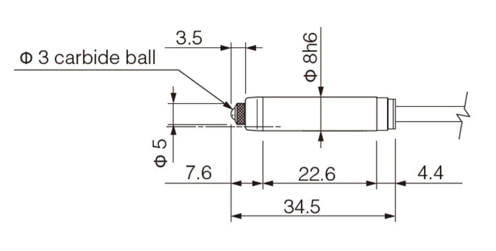
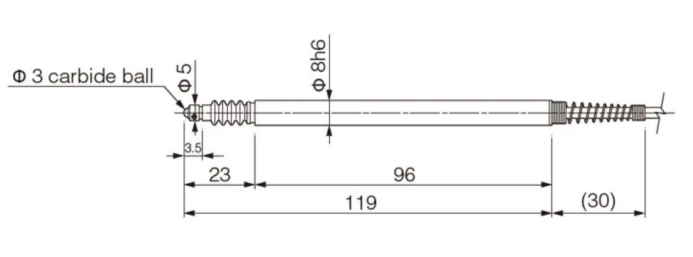
We offer many variations that support various applications. For example, these heads are available for waterproof specifications, small-size, long displacement, low measurement pressure, and fine adjustment mechanisms.
External view
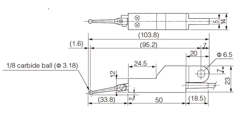
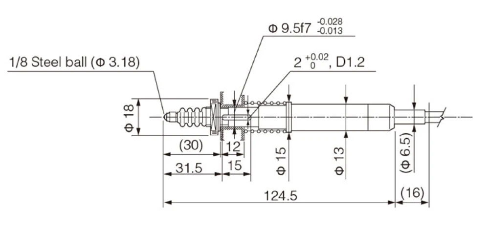
E-DT-80SC Plunger type conventional-type compatible
 
				E-DT-LM, LN Lever type
 
				E-DT-80SG Plunger type standard type
 
				E-DT-80SC-T Plunger type with fine adjustment mechanism
 
				E-DT-80SG-W Plunger type standard type waterproof specifications
 
				E-DT-80LA-L Plunger type medium displacement, low measuring force
 
				E-DT-80LA Plunger type medium displacement, right-angle type
 
				E-DT-80MC Plunger type small type
 
				E-DT-8010A Plunger type long displacement type
 
				E-DT-95-6B Plunger type long displacement with fine adjustment mechanism
 
				SNS
 
				Cannon
 
				Metal
 
				Specifications
| Basic specifications Plunger type small type | ||||||||
| Product name | 80MC Series | |||||||
| Model | E-DT-80MC-S30 | E-DT-80MC-S30-N | E-DT-80MC-C30 | E-DT-80MC-C30-N | E-DT-80MC-M30 | E-DT-80MC-M30-N | E-DT-80MC-905 | E-DT-80MC-906 | 
| Product code | 0117570 | 0117571 | 0117572 | 0117573 | 0117576 | 0117577 | 0117574 | 0117575 | 
| Repeatability | ≤ 0.15 μm | |||||||
| Measuring force | 1.1 N | |||||||
| Linearity | Over 0.1% and less than or equal to 0.5% F.S. | |||||||
| Measuring range | ±0.5 mm | |||||||
| Supported radius | - | |||||||
| Workpiece shape | Continuous surface | |||||||
| Stroke quantity | 1.5 mm | |||||||
| Waterproof standard | - | |||||||
| Cable size/length | Φ 3.5×3 m | |||||||
| Weight (including cable) | Approx. 0.12 kg | |||||||
| Remarks | SNS connector | Negative polarity | Cannon Connector | Negative polarity | Metal Connector | Negative polarity | 3 m waterproof tube specifications, SNS connector | 3 m waterproof tube specifications, SNS connector, negative polarity | 
| Basic specifications Plunger type small type conventional-type compatible | ||||||||
| Product name | 80SC Series | |||||||
| Model | E-DT-80SC-S30 | E-DT-80SC-S30-N | E-DT-80SC-C30 | E-DT-80SC-C30-N | E-DT-80SC-M30 | E-DT-80SC-M30-N | E-DT-80SC-T-S30 | E-DT-80SC-T-C30 | 
| Product code | 0117503 | 0117504 | 0117505 | 0117506 | 0117501 | 0117502 | 0117531 | 0117532 | 
| Repeatability | ≤ 0.15 μm | |||||||
| Measuring force | 0.7 N | |||||||
| Linearity | Over 0.1% and less than or equal to 0.5% F.S. | |||||||
| Measuring range | ±1.1 mm | |||||||
| Partially supported | - | |||||||
| Workpiece shape | Continuous surface | |||||||
| Stroke quantity | 3 mm | |||||||
| Waterproof standard | - | |||||||
| Cable size/length | Φ 3.5×3 m | |||||||
| Weight (including cable) | Approx. 0.13 kg | |||||||
| Remarks | SNS connector | Negative polarity | Cannon Connector | Negative polarity | Metal Connector | Negative polarity | SNS connector with fine adjustment screw | Cannon connector with fine adjustment screw | 
| Basic specifications Plunger type small type conventional-type compatible | |||||||
| Product name | 80SC Series | ||||||
| Model | E-DT-80SC-601 | E-DT-80SC-603 | E-DT-80SC-901 | E-DT-80SC-903 | E-DT-80SC-905 | E-DT-80SC-906 | Right angle adapter | 
| Product code | 0117511 | 0117512 | 0117515 | 0117516 | 0117517 | 0117518 | 0121554 | 
| Repeatability | ≤ 0.15 μm | ||||||
| Measuring force | 0.7 N | ||||||
| Linearity | Over 0.1% and less than or equal to 0.5% F.S. | ||||||
| Measuring range | ±1.1 mm | ||||||
| Partially supported | - | ||||||
| Workpiece shape | Continuous surface | ||||||
| Stroke quantity | 3 mm | ||||||
| Waterproof standard | - | ||||||
| Cable size/length | Φ 3.5×3 m | ||||||
| Weight (including cable) | Approx. 0.13 kg | ||||||
| Remarks | 1.5 m waterproof tube specifications, Cannon connector | 1.5 m waterproof tube specifications, Cannon connector, negative polarity | 1.5 m waterproof tube specifications, SNS connector | 1.5 m waterproof tube specifications, SNS connector, negative polarity | 3 m waterproof tube specifications, SNS connector | 3 m waterproof tube specifications, SNS connector, | For 80SC optional | 
| Basic specifications Plunger type standard type | |||||||
| Product name | 80SG Series | ||||||
| Model | E-DT-80SG-S30 | E-DT-80SG-W-S30 | E-DT-80SG-S30-N | E-DT-80SG-W-S30-N | E-DT-80SG-C30 | E-DT-80SG-W-C30 | E-DT-80SG-C30-N | 
| Product code | 0117700 | 0117701 | 0117702 | 0117703 | 0117704 | 0117705 | 0117706 | 
| Repeatability | ≤ 0.15 μm | ||||||
| Measuring force | 0.7 N | ||||||
| Linearity | Over 0.1% and less than or equal to 0.5% F.S. | ||||||
| Measuring range | ±1.1 mm | ||||||
| Supported radius | - | ||||||
| Workpiece shape | Continuous surface | ||||||
| Stroke quantity | 3 mm | ||||||
| Waterproof standard | - | ||||||
| Cable size/length | Φ 3.5×3 m | ||||||
| Weight (including cable) | Approx. 0.13 kg | ||||||
| Remarks | SNS connector | SNS connector, Waterproof | SNS connector, Negative polarity | SNS connector, Negative polarity, waterproof | Cannon Connector | Cannon Connector, waterproof | Cannon Connector, negative polarity | 
| Basic specifications Plunger type standard type | ||||||
| Product name | 80SG Series | |||||
| Model | E-DT-80SG-W-C30-N | E-DT-80SG-M30 | E-DT-80SG-W-M30 | E-DT-80SG-M30-N | E-DT-80SG-W-M30-N | E-DT-80SG-T-S30 | 
| Product code | 0117707 | 0117708 | 0117709 | 0117710 | 0117711 | 0117725 | 
| Repeatability | ≤ 0.15 μm | |||||
| Measuring force | 0.7 N | |||||
| Linearity | Over 0.1% and less than or equal to 0.5% F.S. | |||||
| Measuring range | ±1.1 mm | |||||
| Supported radius | - | |||||
| Workpiece shape | Continuous surface | |||||
| Stroke quantity | 3 mm | |||||
| Waterproof standard | - | |||||
| Cable size/length | Φ 3.5×3 m | |||||
| Weight (including cable) | Approx. 0.13 kg | |||||
| Remarks | Cannon connector, Negative polarity, waterproof | Metal connector | Metal connector, Waterproof | Metal connector, Negative polarity | Metal connector, Negative polarity, waterproof | SNS connector with fine adjustment screw | 
| Basic specifications Plunger type medium displacement, right-angle type | ||||||||
| Product name | 80LA Series | |||||||
| Model | E-DT-80LA-S30 | E-DT-80LA- S30-N | E-DT-80LA-C30 | E-DT-80LA- C30-N | E-DT-80LA-M30 | E-DT-80LA- M30-N | For retract Nipple (For 80LA) | Vacuum retract unit (for 80LA) | 
| Product code | 6170155 | 0117520 | 4205816 | 0117525 | 0117524 | 0117526 | 0116709 | 0116710 | 
| Repeatability | ≤ 0.3 μm | |||||||
| Measuring force | 0.7 N | |||||||
| Linearity | Over 0.1% and less than or equal to 0.6% F.S. | |||||||
| Measuring range | ±1.5 mm | |||||||
| Supported radius | - | |||||||
| Workpiece shape | Continuous surface | |||||||
| Stroke quantity | 10 mm | |||||||
| Waterproof standard | - | |||||||
| Cable size/length | Φ 3.5×3 m | |||||||
| Weight (including cable) | Approx. 0.14 kg | |||||||
| Remarks | SNS connector | Negative polarity | Cannon Connector | Negative polarity | Metal Connector | Negative polarity | For 80LA optional | Optional for 80LA Made-to-order product | 
| Basic specifications Plunger type medium displacement, right-angle type/long displacement type | ||||
| Product name | 80LA-L (low measurement pressure) | 8010A long displacement type | ||
| Model | E-DT-80LA-L-S30 | E-DT-80LA-L-C30 | E-DT-8010A-S20 | E-DT-8010A-4051 | 
| Product code | 0117527 | 0117528 | 4302569 | 4302570 | 
| Repeatability | ≤ 0.3 μm | |||
| Measuring force | 0.1 N | 0.7 N | ||
| Linearity | Over 0.1% and less than or equal to 0.6% F.S. | Over 0.1% and less than or equal to 1% F.S. | ||
| Measuring range | ±1.5 mm | ±5 mm | ||
| Supported radius | - | |||
| Workpiece shape | Continuous surface | |||
| Stroke quantity | 10 mm | 11 mm | ||
| Waterproof standard | - | |||
| Cable size/length | Φ 3.5×3 m | Φ 3.5×2 m | ||
| Weight (including cable) | Approx. 0.14 kg | Approx. 0.18 kg | ||
| Remarks | SNS connector | Cannon connector | Cable 2 m, SNS connector | Cable 2 m, SNS connector, 2 m waterproof tube specifications | 
| Basic specifications Plunger type long displacement with fine adjustment mechanism | ||||||
| Product name | 95-6B Series | |||||
| Model | E-DT-95-6B-M15 | E-DT-95-6B-M30 | E-DT-95-6B-M30-N | E-DT-95-6B-C15 | E-DT-95-6B-C30 | E-DT-95-6B-601(C30-N) | 
| Product code | 0116554 | 0116555 | 0115641 | 0116557 | 0116558 | 0115640 | 
| Repeatability | ≤ 0.3 μm | |||||
| Measuring force | 0.6 N | |||||
| Linearity | Over 0.1% and less than or equal to 0.5% F.S. | |||||
| Measuring range | ±2.5 mm | |||||
| Supported radius | - | |||||
| Workpiece shape | Continuous surface | |||||
| Stroke quantity | 10 mm | |||||
| Waterproof standard | - | |||||
| Cable size/length | Φ 5×3 m/1.5 m | |||||
| Weight (including cable) | Approx. 0.27 kg | |||||
| Remarks | Metal connector, 1.5 m | Metal connector, 3 m | Metal connector, Negative polarity | Cannon connector, 1.5 m | Cannon connector, 3 m | Cannon connector, 3 m, negative polarity | 
| Basic specifications Lever type | |||
| Product name | E-DT-LM Series | E-DT-LN Series | |
| Model | E-DT-LM | E-DT-LM-L | E-DT-LN | 
| Product code | 0116906 | 0116926 | 0117006 | 
| Repeatability | ≤ 0.05 μm | ≤ 0.1 μm | ≤ 0.05 μm | 
| Measuring force | 0.07 N | 0.02 N | 0.07 N | 
| Linearity | Over 0.1% and less than or equal to 0.5% F.S. | ||
| Measuring range | ±0.4 mm | ±0.8 mm | |
| Supported radius | - | ||
| Workpiece shape | Continuous surface | ||
| Stroke quantity | 2 mm | 2.5 mm | |
| Waterproof standard | - | ||
| Cable size/length | Φ 3.5×3 m/1.5 m | ||
| Weight (including cable) | Approx. 0.12 kg | ||
| Remarks | Cable 3 m, SNS connector | Low measurement pressure | Cable 3 m, SNS connector | 
Options
| Optional contact plug | ||||
| Product code | 4487069 | 0121525 | 0121543 | 0121537 | 
| Diagram number | A283211 | 0121525 | A101131 | 0121537 | 
| Application | Deep hole | Deep hole | Large diameter measurement, etc. | Scratch prevention | 
| Material | Carbide Φ 1/8 | Carbide Φ 1/8 | Carbide Φ 5 mm | Teflon Φ 3 mm | 
| Remarks | Weight 2 g | Weight 3 g | Weight 4 g | Weight 2 g | 
| Thumbnail |  |  |  |  | 
| Options | |||
| Product code | 0121517 | 0121540 | 4609611 | 
| Diagram number | 0121517 | A101260 | 4609611 | 
| Application | To measure narrow spaces | For parallelness adjustment of A101014 | Spanner for contact replacement | 
| Tip material | Carbide Φ 3 flat | - | - | 
| Remarks | Weight 1 g Combination with A101260 | Weight 8 g | For detector/PHA (Required for all cases except 80MC) | 
| Thumbnail |  |  |  | 
 
             
                       
                       
                      