Precision Measuring Instrument
In-process
Post-process
Drive units
Options for Machine Control Gauges
Hydraulic Drive Units
Features
Rich Lineup
By aligning the gauge with the grinder size, you can select the driving stroke and the installment method.
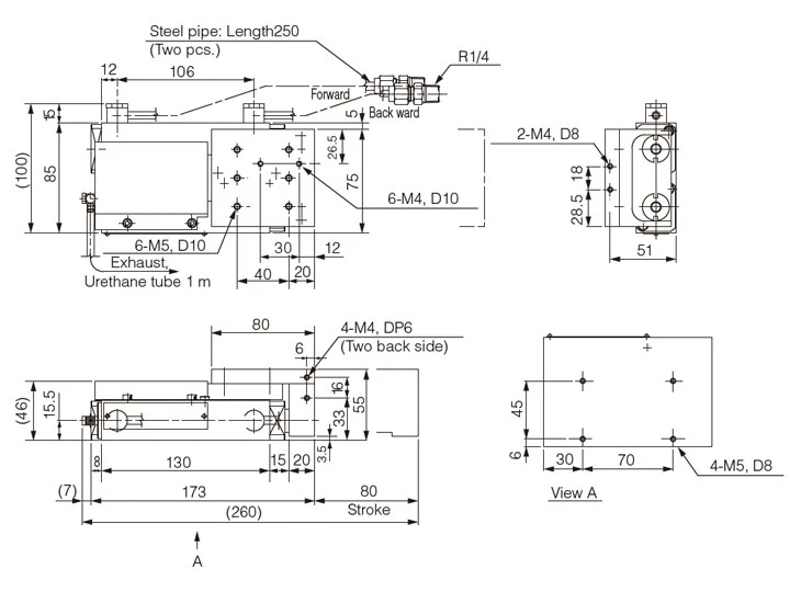
External view
Cylinder Height: 65 mm
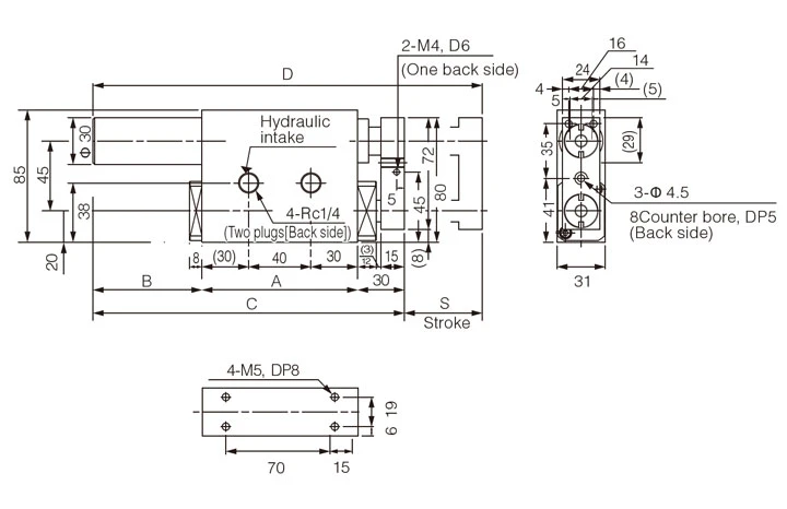
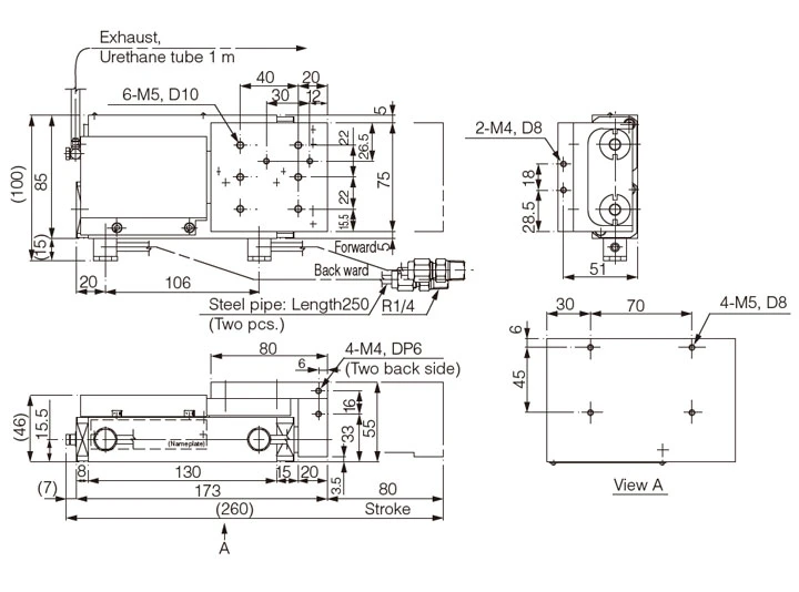
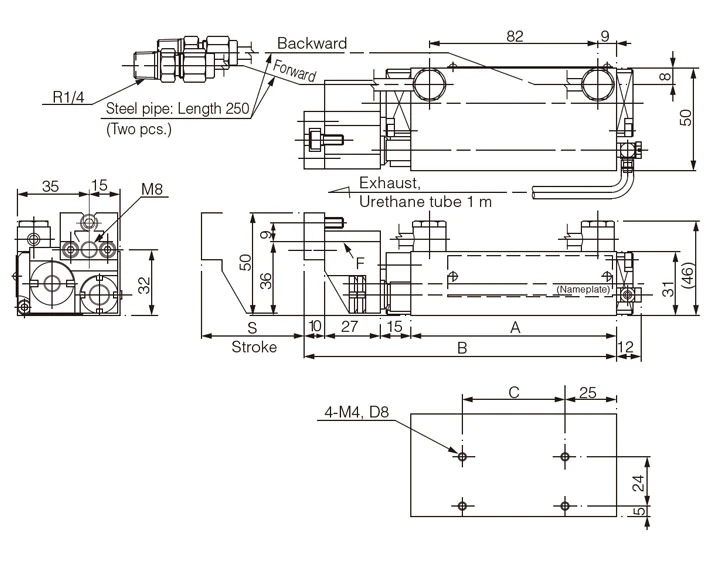
DU-15D1、 08D1
| Model | S | A | B | C | |||||||||||
| DU-05D1 DU-08D1 80 130 182 60 |
50 | 100 | 152 | 35 | |||||||||||
| DU-08D1 | 80 | 130 | 182 | 60 | |||||||||||
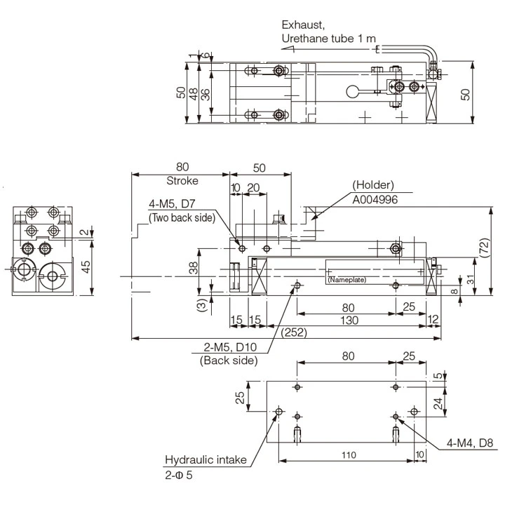
Cylinder Height: 31 mm
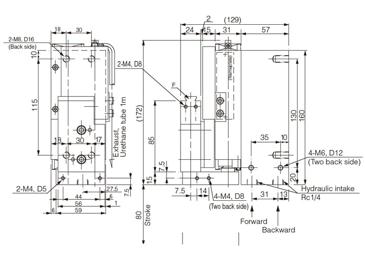
DU-05T-L, 08T-L
| Model | S | A | B | C | |||||||||||
| DU-05T-L | 50 | 100 | 152 | 50 | |||||||||||
| DU-08T-L | 80 | 130 | 182 | 80 | |||||||||||
DU-05T-R, 08T-R
| Model | S | A | B | C | |||||||||||
| DU-05T-R | 50 | 100 | 152 | 50 | |||||||||||
| DU-08T-R | 80 | 130 | 182 | 80 | |||||||||||
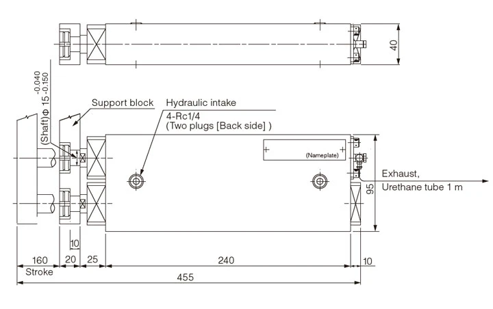
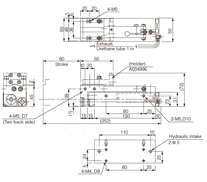
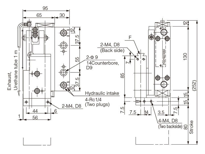
Cylinder Height: 85 mm
DR-05C, 08C, 12C
| Model | S | A | B | C | D | E | |||||||||
| DR-05C | 50 | 100 | 70 | 200 | 250 | 70 | |||||||||
| DR-08C | 80 | 130 | 100 | 260 | 340 | 100 | |||||||||
| DR-12C | 120 | 170 | 140 | 340 | 460 | 140 | |||||||||
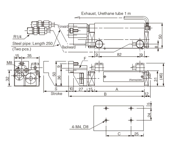
DR-08A-F, 12A-F
| Model | S | A | B | C | |||||||||||
| DR-08A-F | 80 | 130 | 175 | 60 | |||||||||||
| DR-12A-F | 120 | 170 | 215 | 100 | |||||||||||
Large, general-purpose machine
DU-16B
DR-16A
DW-08
For the end surface
DU-08C-L
DU-08C-R
DU-08C-M
For the end surface
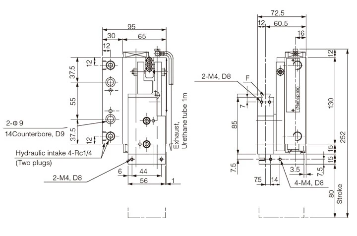
DR-08C-FL
DR-08C-FR
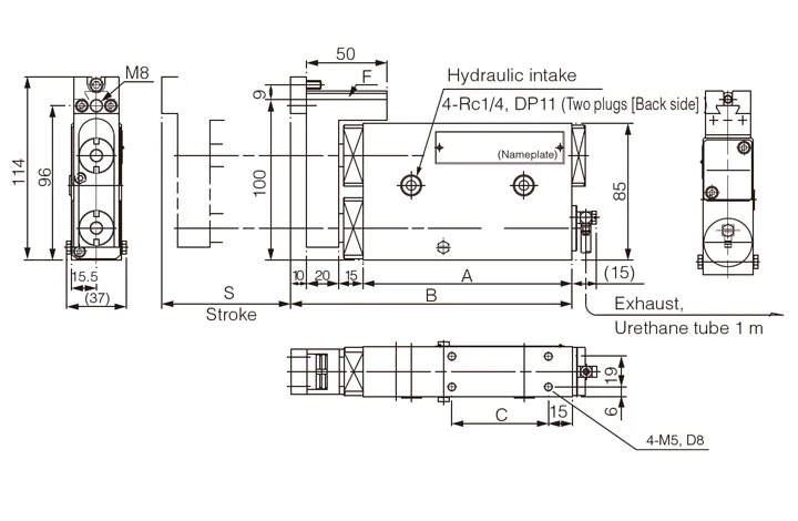
DU-08E-ML
DU-08E-MR
Specifications
| Basic specifications | |||||||
| Product name | Hydraulic Drive Units | ||||||
| Model | DU-05D1 | DU-08D1 | DU-05T-L | DU-05T-R | DU-08T-L | DU-08T-R | DR-05C |
| Product code | 0970010 | 0970012 | 0970020 | 0970022 | 0970290 | 0970291 | 0970040 |
| Stroke | 50 | 80 | 50 | 80 | 50 | ||
| Features | General-purpose, vertically oriented | Compact horizontal oriented | General-purpose, mounted in rear | ||||
| Position relative to the head | Below | Below (and left) | Below (and right) | Below (and left) | Below (and right) | Before | |
| Oil pressure source (MPa) | 1.5 to 2.0 | ||||||
| Oil pressure source connection diameter | Rc1/4 | R1/4 | |||||
| Basic Specifications | |||||||
| Product name | Hydraulic Drive Units | ||||||
| Model | DR-08C | DR-12C | DR-08A-F | DR-12A-F | DU-16B *1 | DR-16A *2 | DW-08 *1 |
| Product code | 0970042 | 0970044 | 0970050 | 0970052 | 0970150 | 0970066 | 0970074 |
| Stroke | 80 | 120 | 80 | 120 | 160 | 80 | |
| Features | General-purpose, mounted in rear | High rigidity (high load support) |
Long stroke | Ultra high rigidity (for large general purpose units) |
|||
| Position corresponding to the head | Before | Below | Before | - | |||
| Oil pressure source (MPa) | 1.5 to 2.0 | ||||||
| Oil pressure source connection diameter | Rc1/4 | ||||||
| Basic Specifications | |||||||
| Product name | Hydraulic Drive Units | ||||||
| Model | DU-08C-L *2 | DU-08C-R *2 | DU-08C-M *2 | DR-08C-FL | DR-08C-FR | DU-08E-ML | DU-08E-MR |
| Product code | 0970080 | 0970082 | 0970084 | 0970130 | 0970132 | 0970095 | 0970094 |
| Stroke | 80 | ||||||
| Features | General purpose | General purpose (with manifold) |
High rigidity (high load support) |
Compact (space saving) |
|||
| Position corresponding to the head | Below (and left) | Below (and right) | Below (center) | Below (horizontal oriented) | |||
| Oil pressure source (MPa) | 1.5 to 2.0 | ||||||
| Oil pressure source connection diameter | Rc1/4 | R1/4 | φ 5 | ||||
*1 Made-to-order product, mounting hole instructions required *2 Made-to-order product