
DELCOM-XD
Features
Supports the digital measuring instruments of our company
Supports digital measuring instruments such as the PHA Series and -DⅡ.
Memory function/2-gauge calculation function
The controller has a memory function for storing the max value, min value, and P-P value and a 2-gauge calculation (addition) function that can be used for calculating the outer diameter.
Helps reduce costs
The main unit can be connected to a PLC by only using a CC-Link cable (with no input unit required).
Up to 4 cables can be connected per unit, and the number can be increased within the range of CC-Link standards (up to 64 stations).
Ethernet
The Ethernet (TCP socket) interface is a standard feature and it supports and IoT system deployment.
This enables confirmation of items such as the operation status, measurement data, and work information from a remote PC or server, thereby supporting visualization of worksites.
Optimal for being built-in to equipment
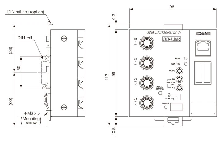
It is compact and DIN rail hardware is provided as an option. Since they operate at DC 24V, they are optimal for being built-in to equipment.
Also, Ethernet can be used for using the controller with IoT.
Compact design
Operation voltage of DC 24V
DIN rail hardware prepared (Optional)
IoT compatible
Ethernet included as a standard feature
Enables sending of data via the Internet to servers

External view

Specifications
Basic specifications | |
Product name | DELCOM-XD |
Model number (representative) | AT32700 |
Applications | Post-process |
Measurement value display range | ₋214748364.8 to +214748364.7 μm |
Resolution | 0.1 μm |
Display unit | μm |
Sampling speed | 2 msec |
Data update time | 10 msec |
IP rating | IP2X |
Ambient usage temperature/humidity | 0℃ to 45℃ / 10 to 90% R.H. (No condensation) |
Vibration resistance/shock resistance | JIS C 60068-2-6 |
CE mark | - |
Outer dimensions (W) × (D) × (H) / weight | 96 × 96 × 38 mm/0.4 kg |
Power supply / power consumption | DC24 V/4 W MAX |
Accessories | Power supply connector, CC-Link connector, |
Wall installation hardware, instruction manual |