Precision Measuring Instrument

In-process
Post-process
Wide range measurement
High Accuracy
Digital gauge
High Precision Digital Measuring Head
Γ-DII
Features
Wide Measuring Range
Reduced changeover time
This measuring head handles a wide range, so changeover tasks are not necessary for processed products with differing dimensions.

Stepped workpieces
High responsiveness
The device has increased responsiveness, and can even track fast changes in the measurement value.
It enables accurate and stable measurements.
High Precision
High precision and excellent temperature characteristics are achieved by using an optical scale.
Repeatability: 0.2 µm or less/4 σ (when the finger length is 82 mm)
Compact Design
A boxless relay and slimmed down cables are achieved by gathering the required functions in the main gage unit.
This increased the freedom when handling the cables during installation.
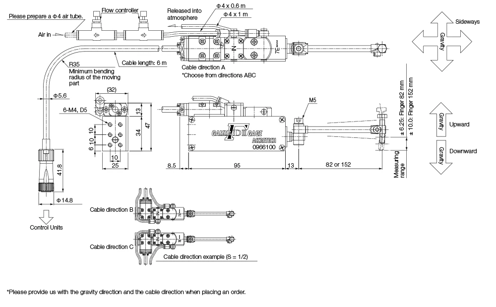
External view

*When making an order, please inform us of the cable withdrawal direction in relation to the direction of gravity.
ΓΓ-DII Standard Finger | ||
Product code | 4477480 (L=82) | 4477481 (L=152) |
Material | S45C |
Γ-DII Standard Contact | ||
Product code | 4447133 | |
Material | SR1.5 CPX. diamond |
Specifications
Basic specifications | ||
Product name | Γ-DII | |
Model | Γ-DII | |
Product code | 0966100 | |
Repeatability | ≤ 0.2μm/4 σ | ≤ 0.4 μm/4 σ |
Measuring force | 1.4 to 3.6 N | 0.8 to 2.2 N |
Linearity in wide range (reference value) | ≤ 0.05% F.S. (12.5 mm Range: ≤ 6.3 μm) | ≤ 0.05% F.S. (20 mm Range: ≤ 10 μm) |
Linearity in narrow range (reference value) | ≤ 0.5% (≤ 5 μm) / ±500 μm | |
Measuring range | ±6.25 mm | ±10 mm |
Pre travel | 6.35 to 6.7 mm | 10.2 to 10.85 mm |
Measuring diameter | - | |
Workpiece profile | Continuous surface | |
Retract type | Air type (retract by air supply) | |
Retract amount | 6.5 to 7 mm | 10.5 to 11.35 mm |
Retract mechanism (retract air source) | 0.35 to 0.5MPa | |
Standard finger length | 82 mm | 152 mm |
Waterproof standard | IP67 compliant | |
Cable thickness and length | φ 5.6 x 6 m | |
Weight (including cable) | Approx. 0.8 kg |