Rear Fork Gauges RF-05B/06A/08
Features
Main Spindle Through Type
Even for inner surface grinders where the space is limited, a sizing device can be used while still offering a free layout. Since the gauge is mounted passing through the main spindle, it does not interfere with the arrangement of the grinding wheel, auto-loader, dresser, etc. Moreover, larger grinding wheels can be used even on the tiniest diameters.
Stationary and Oscillating Measurements
The measuring head can be used for two types of measurement method: the stationary method in which the measuring head is fixed in the hole being processed during grinding; and, the oscillating method in which the measuring head synchronizes with the grinding wheel.
The Miniature RF-05B
This is a compact measuring head that can easily be laid out inside the spindle.
Outer diameter RF-05B: φ 24.8 mm
RF-06A: φ 15.9 mm
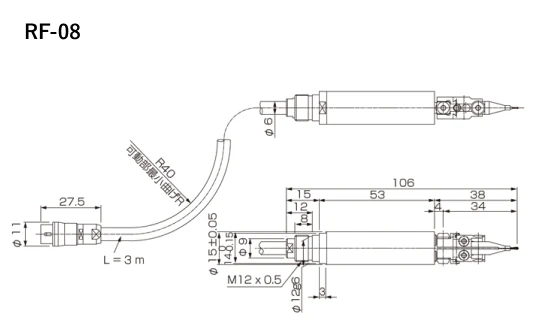
RF-08: φ 15 mm
External view
Specifications
| Basic specifications | ||||||
| Product name | RF-05B | RF-06A | RF-08 | |||
| Model | RF-05B H-P5 | RF-06A-P3 | RF-08-P3 | |||
| Product code | 0965040 | 0960007 | 0960008 | |||
| Repeatability | ≦0.5 ㎛/4 σ | ≦0.5 ㎛/4 σ | ≦0.2 ㎛/4 σ | |||
| Measuring force | 0.7 ±0.2 N | 0.6 ±0.1 N | 0.6 ±0.1 N | |||
| Linearity | ー | |||||
| Measuring range | -200 to +100 μm | -200 to +50 μm | ||||
| Pre travel (one side) | 0.06 to 0.08 mm | 0.055 to 0.075 mm | ||||
| Measuring diameter | ー | |||||
| Workpiece profile | Continuous surface/Discontinuous surface | |||||
| Retract type | ー | |||||
| Retract amount | ー | |||||
| Retract mechanism (retract air source) | ー | |||||
| Standard finger length | 51 mm | 36 mm | 34 mm | |||
| Cable thickness and length | φ 6×5 m | φ 6×3 m | ||||
| Weight (main unit) | Approx. 0.3 kg | Approx. 0.1 kg | Approx. 0.07 kg | |||
| No. of outputs | 2 | |||||
| Remarks | For stationary or oscillating use | |||||