
PULCOM Σ-D
Features
Wide Measuring Range (maximum diameter difference of 40 mm)
Using an optical scale, replacing LVDT, as a sensor allows continuous measuring to diameters of 40 mm difference, without setup.
High Precision Measuring
The high precision, high rigidity and high durability fulcrum mechanism is used to make a wide range of high precision measurements possible.
Achieves Superior Linearity for Measurements of All Ranges
A fulcrum measurement method is used in a best-fit method of automatic compensation of problematic centering and measurement deviations caused by diameter deformations, to achieve superior linearity.
A/B Phase Digital Transmission
Digital transmission shortens the startup time compared to previous size shift models (1/3 of previous) as well as increasing noise immunity.
Improved Maintainability
Removable connectors provided as standard improve maintainability.
External view
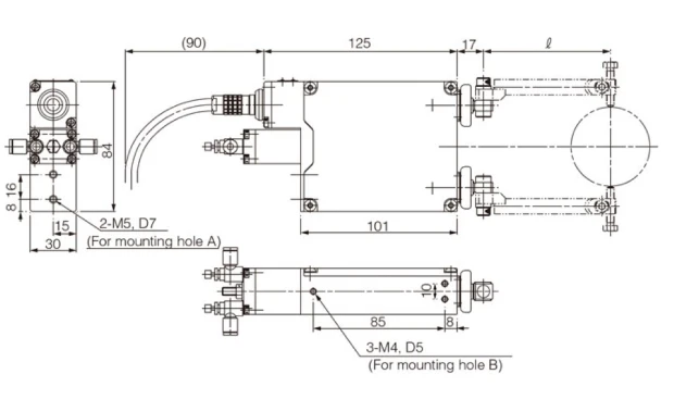
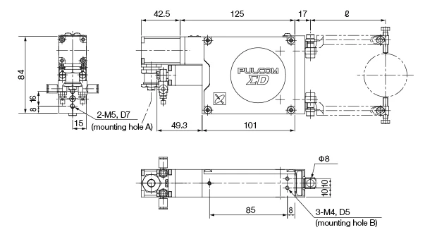
Measuring Heads
E-TD-4162, 4163, 4166, 4168

E-TD-4362, 4363


Relay box

Specifications
Basic specifications | ||||||||
Product name | PULCOM Σ-OD-AR | |||||||
Model | E-TD-4162 | E-TD-4163 | E-TD-4166 | E-TD-4167 | ||||
Product code | 4419532 | 4419533 | 4419536 | 4419537 | ||||
Repeatability | ≤ 0.2 μm/4 σ | ≤ 0.4 μm/4 σ | ≤ 0.2 μm/4 σ | ≤ 0.4 μm/4 σ | ||||
Measuring force | 0.6 to 3 N | |||||||
Linearity | Wide range linearity (reference value) ≤ 0.05% / Full range of diameter differences (when the diameter difference is 25 mm: ≤ 12.5 μm, when the diameter difference is 40 mm: ≤ 20 μm) Narrow range linearity (reference value) ≤ 0.5% (≤ 5 μm) / ±500 μm |
|||||||
Measuring range | 25 mm | 40 mm | 25 mm | 40 mm | ||||
Pre travel (one side) | ≥ 6.5 mm | ≥ 10.3 mm | ≥ 6.5 mm | ≥ 10.3 mm | ||||
Measuring diameter | φ 4 to φ 76.5 | φ 4 to φ 84 | φ 4 to φ 76.5 | φ 4 to φ 84 | ||||
Workpiece profile | Continuous surface | |||||||
Retract type | Air type (double-acting) | |||||||
Retract amount (one side) | ≥ 7.3 mm | ≥ 11.0 mm | ≥ 7.3 mm | ≥ 11.0 mm | ||||
Retract mechanism (retract air source) | 0.35 to 0.5 MPa (return action) | |||||||
Standard finger length | 82 mm | 152 mm | 82 mm | 152 mm | ||||
Waterproof standard | IP67 compliant (measuring head, relay box) | |||||||
Cable thickness and length | φ 8 × 2 m | |||||||
Weight (main unit) | Approx. 1.4 kg | |||||||
No. of outputs | 2 | |||||||
Remarks | A standard finger length of between 82 mm and 152 mm can be supported. |
Basic Specifications | ||||||||
Product name | PULCOM Σ-D-ID-AR | |||||||
Model | E-TD-4182 | E-TD-4186 | ||||||
Product code | 4419562 | 4419566 | ||||||
Repeatability | ≤ 0.2 μm/4 σ | ≤ 0.2 μm/4 σ | ||||||
Measuring force | 0.6 to 3 N | |||||||
Linearity | Wide range linearity (reference value) ≤ 0.05% / Full range of diameter differences (when the diameter difference is 25 mm: ≤ 12.5 μm, when the diameter difference is 40 mm: ≤ 20 μm) Narrow range linearity (reference value) ≤ 0.5% (≤ 5 μm) / ±500 μm |
|||||||
Measuring range | 25 mm | 25 mm | ||||||
Pre travel (one side) | ≥ 6.5 mm | ≥ 6.5 mm | ||||||
Measuring diameter | φ 22 to φ 109 | φ 22 to φ 109 | ||||||
Workpiece profile | Continuous surface | |||||||
Retract type | Air type (double-acting) | |||||||
Retract amount (one side) | ≥ 7.3 mm | ≥ 7.3 mm | ||||||
Retract mechanism (retract air source) | 0.35 to 0.5 MPa (return action) | |||||||
Standard finger length | 82 mm | 82 mm | ||||||
Waterproof standard | IP67 compliant (measuring head, relay box) | |||||||
Cable thickness and length | φ 8 × 2 m | |||||||
No. of outputs | 2 | |||||||
Weight (main unit) | Approx. 1.4 kg |
Basic specifications | ||||||||
Product name | PULCOM Σ-D-OD-AR (for in-process use) | |||||||
Model | E-TD-4362 | E-TD-4363 | E-TD-4366 | E-TD-4367 | ||||
Product code | 4310052 | 4310053 | 4310056 | 4310057 | ||||
Repeatability | ≤ 0.4 μm/4 σ | |||||||
Measuring force | 1.4 to 3.2 N | |||||||
Linearity | Wide range linearity (reference value) ≤ 0.05% / Full range of diameter differences (when the diameter difference is 25 mm: ≤ 12.5 μm, when the diameter difference is 40 mm: ≤ 20 μm) Narrow range linearity (reference value) ≤ 0.5% (≤ 5 μm) / ±500 μm |
|||||||
Measuring range | 25 mm | 40 mm | 25 mm | 40 mm | ||||
Pre travel (one side) | ≥ 6.5 mm | ≥ 10.3 mm | ≥ 6.5 mm | ≥ 10.3 mm | ||||
Measuring diameter | φ 4 to φ 76.5 | φ 4 to φ 84 | φ 4 to φ 76.5 | φ 4 to φ 84 | ||||
Workpiece profile | Continuous surface | |||||||
Retract type | Air type (double-acting) | |||||||
Retract amount (one side) | ≥ 7.3 mm | ≥ 11.0 mm | ≥ 7.3 mm | ≥ 11.0 mm | ||||
Retract mechanism (retract air source) | 0.35 to 0.5 MPa (return action) | |||||||
Standard finger length | 82 mm | 152 mm | 82 mm | 152 mm | ||||
Waterproof standard | IP67 compliant (measuring head, relay box) | |||||||
Cable thickness and length | φ 8 × 2 m | |||||||
Weight (main unit) | Approx. 1.4 kg | |||||||
No. of outputs | 2 | |||||||
Remarks | The standard finger length is of the two types, 82 mm and 152 mm. Between 82 mm and 152 mm can be supported. |