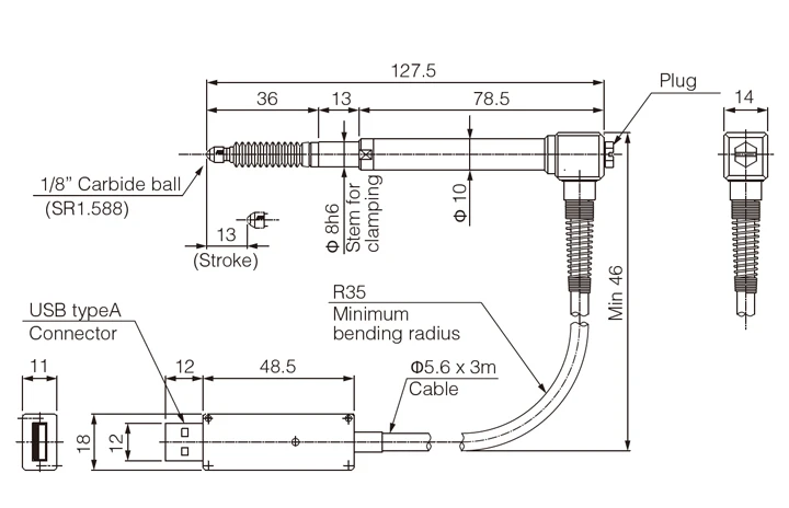
PHA-USB
External view
PHA-13W-U30
 
				PHA-13WL-U30
 
				PHA-13W-F-U30
 
				PHA-13WL-F-U30
 
				| Basic specifications | ||||
| Product name | 13 mm type | |||
| Model | PHA-13W-U30 | PHA-13WL-U30 | PHA-13W-F-U30 | PHA-13WL-F-U30 | 
| Product code | 0905901 | 0905911 | 0905905 | 0905915 | 
| Repeatability | ≦ 0.2 ㎛ | |||
| Measuring force (downward) | 0.2 to 1.5 N | |||
| Measuring force (horizontal) | 0.2 to 1.5 N | |||
| Measuring force (upward) | 0.2 to 1.5 N | |||
| Linearity | ≦ 0.8 ㎛ F.S. | |||
| Measuring range | 13 mm | |||
| Workpiece shape | Smooth surface | |||
| Electric specifications | USB Type A connector | |||
| USB2.0 (Full Speed) | ||||
| Power supply USB bus power (when operating within USB specifications)*1 | ||||
| OS | Windows 7, Windows 8.x, Windows Embedded Standard 7 (32/64 bit), Windows 10 (32/64 bit) | |||
| Waterproof standard | IP67 (without USB connector) | |||
| Cable size/length | φ 5.6 × 3 m | |||
| Weight (body) | Approx. 0.05 kg | Approx. 0.06 kg | Approx. 0.05 kg | Approx. 0.06 kg | 
| Number of devices used at the same time | MAX 127 devices*2 | |||
| Ambient usage temperature | 0 to 40°C (no condensation) | |||
The driver software is selling separately.
*1
If the power supply is insufficient, use a powered HUB or similar to supply power from an external source.
*2
You cannot connect only 127 USB-GAGEs, because a USB hub is also counted as one device. The number of gauges that can be connected varies depending on the PC specifications.
LVDT-USB
External view
Plunger type
Small E-DT-80MC-U30
 
				Medium displacement E-DT-80LA-U30
 
				Standard E-DT-80SG-U30
Low measuring force E-DT-80SG-L-U30
 
				Lever type
Standard E-DT-LM-U30
Low measuring force E-DT-LM-L-U30
Wide measuring range E-DT-LN-U30 
 
				| Basic specifications | |||||||
| Product name | AIR MICRO-USB | ||||||
| Model | 310 | 520 | 1550 | 210 | 310 | 520 | 0520 | 
| Product code | 0902608 | 0902610 | 0902612 | 0902606 | 0902608 | 0902610 | 0902603 | 
| Repeatability*3 | 2.0 μm | 3.5 μm | 6.0 μm | 1.0 μm | 2.0 μm | 5.0 μm | 0.5 μm | 
| Measuring range | 0.030 mm | 0.060 mm | 0.100 mm | 0.010 mm | 0.040 mm | 0.080 mm | 0.010 mm | 
| Nozzle diameter | Φ 2 nozzle | Φ 1.5 nozzle | Φ 0.4 or Φ 0.3 nozzle | ||||
| Guide clearance | 0.020 to 0.030 mm | 0.008 to 0.013 mm | |||||
| Electric specifications | USB Type A connector | ||||||
| USB2.0 (Full Speed) | |||||||
| Power supply USB bus power (when operating within USB specifications)*1 | |||||||
| OS | Windows 7, Windows 8.x, Windows Embedded Standard 7 (32/64 bit), Windows 10 (32/64 bit) | ||||||
| Waterproof standard | - | ||||||
| Number of devices used at the same time | MAX 127 devices*2 | ||||||
| Ambient usage temperature | 0 to 40°C (no condensation) | ||||||
(Note 1)
・ The driver software is selling separately.
・ The above table lists typical nozzle diameters and the model numbers of compatible converters.
(Note 2)
・ A regulator set is required.
*1
If the power supply is insufficient, use a powered HUB or similar to supply power from an external source.
*2
You cannot connect only 127 USB-GAGEs, because a USB hub is also counted as one device. The number of gauges that can be connected varies depending on the PC specifications.
*3
The values shown below were taken when static measurements were repeatedly made at the same position.
AIR MICRO USB
External view
 
				| Basic specifications | |||||||
| Product name | AIR MICRO-USB | ||||||
| Model | 310 | 520 | 1550 | 210 | 310 | 520 | 0520 | 
| Product code | 0902608 | 0902610 | 0902612 | 0902606 | 0902608 | 0902610 | 0902603 | 
| Repeatability*3 | 2.0 ㎛ | 3.5 ㎛ | 6.0 ㎛ | 1.0 ㎛ | 2.0 ㎛ | 5.0 ㎛ | 0.5 ㎛ | 
| Measuring range | 0.030 mm | 0.060 mm | 0.100 mm | 0.010 mm | 0.040 mm | 0.080 mm | 0.010 mm | 
| Nozzle diameter | Φ 2 nozzle | Φ 1.5 nozzle | Φ 0.4 or Φ 0.3 nozzle | ||||
| Guide clearance | 0.020 to 0.030 mm | 0.008 to 0.013 mm | |||||
| Electric specifications | USB Type A connector | ||||||
| USB2.0(Full Speed) | |||||||
| Power supply USB bus power (when operating within USB specifications)*1 | |||||||
| OS | Windows 7、Windows 8.x、Windows Embedded standard 7(32/64 bit)、Windows 10(32/64 bit) | ||||||
| Waterproof standard | ー | ||||||
| Number of devices used at the same time | MAX 127 devices*2 | ||||||
| Ambient usage temperature | 0 to 40°C (no condensation) | ||||||
The driver software is selling separately.
The above table lists typical nozzle diameters and the model numbers of compatible converters.
A regulator set is required.
*1
If the power supply is insufficient, use a powered HUB or similar to supply power from an external source.
*2
You cannot connect only 127 USB-GAGEs, because a USB hub is also counted as one device. The number of gauges that can be connected varies depending on the PC specifications.
*3
The values shown below were taken when static measurements were repeatedly made at the same position.
Software
USB-GAGEs Driver CD-ROM
Includes software required for operating USB-GAGEs and sample code for development.
The Windows driver to use USB GAGEs is included.
Configuration software
Specify a "name" for each USB-GAGEs to easily manage multiple USB-GAGEs.
Includes maintenance functions such as confirming connections and saving measurement values.
Measurement software
Microsoft Excel VBA (macro)
Measurement Software Development Libraries
The public function library to control the USB-GAGE
Microsoft Excel VBA (macro), C/C++, C# sample software
 
				 
				 
				| USB-GAGEs Driver CD-ROM | |||||||||||||||||||||||||||
| Product name | USB-GAGEs driver | Measuring Application Package | |||||||||||||||||||||||||
| Product code | 4220720 | 4220636 | |||||||||||||||||||||||||
| Remarks | - | Includes USB-GAGEs driver content | |||||||||||||||||||||||||
Measuring Application Package
Includes three general-purpose measurement applications, together with the CD-ROM content on the left.
Mcom-Ex Meter display application software
Mcom-C Bar graph display application software for up to 10 graphs
Mcom-St Straightness/Flatness measurement application software
Measuring Software
Microsoft Excel VBA (macro)
Save measured data to Excel directly
| Measuring Application Package Operating Environment | ||||||||||||||||||||||
| OS | Windows 7、Windows 8.x、 Windows Embedded standard 7 (32/64 bit)、 Windows 10 (32/64 bit) | |||||||||||||||||||||
| Recommended memory | 4 GB or more | |||||||||||||||||||||
| Disk space | 100 MB or more | |||||||||||||||||||||
| Software | Microsoft Office 2013 ~ Microsoft Office 2019 又はOffice 365 | |||||||||||||||||||||
| Required hardware | CD-ROM drive | |||||||||||||||||||||
 
             
                       
                      