PULCOM BG
Features
Diverse Measurements
Measuring heads are available for a diverse range of measurements, including one diameter, two diameters, ellipse, average diameter, hole with steps and tap
Control of difficult measurement air supply not required
Since the unit is driven by electricity, management of the measuring air is not required.
Contaminants need to be removed before measurements using air jet or other means.
Contaminants need to be removed before measurements using air jet or other means.
Complete Easy Mount Options
The components that support the measuring head such as the floating relieving unit and relieving unit are also standardized. This eliminates damage to the measuring unit do to machining errors and improper positioning.
External view
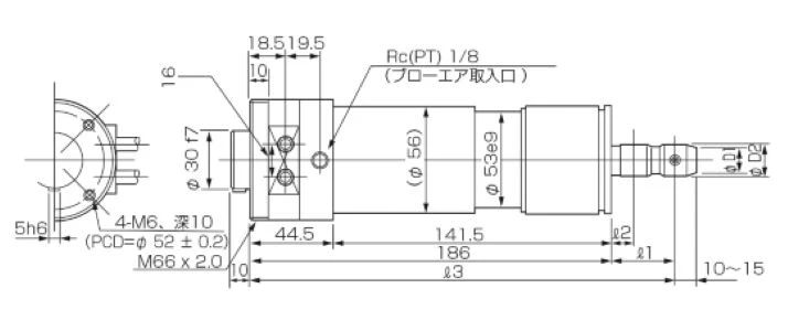
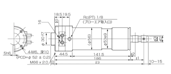
Bore Gage BG-10A-501
| φ D | ℓ 1 | ℓ 2 |
| Φ10 – Φ18 | 2D (no air blow) |
205 |
| Φ18 – Φ100 | 35 | 205 |
| 57.5 | 227.5 |
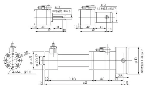
Bore Gage BG-04
| φ D | ℓ 1 | ℓ 2 | ℓ 3 |
| Φ14 – Φ100 | 12 | 12 | 198 |
| 25.5 | 25.5 or 12 | 211.5 | |
| Φ20 – Φ100 | 40.5 | 40.5、25.5 or 12 | 226.5 |
Bore Gage BG-10A-502
| φ D | ℓ 1 | ℓ 2 |
| Φ10 – Φ18 | 2D (Max. 35) | 213 |
| Φ18 – Φ100 | 35 | 213 |
| 57.5 | 235.5 |
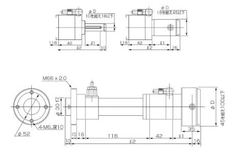
Bore Gage BG-03
| φ D | ℓ 1 | ℓ 2 | ℓ 3 |
| Φ14 – Φ100 | 12 | 12 | 198 |
| 25.5 | 25.5 or 12 | 211.5 | |
| Φ20 – Φ100 | 40.5 | 40.5、25.5 or 12 | 226.5 |
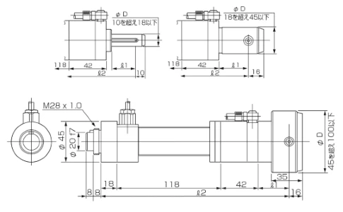
Bore Gage BG-10A-503
| φ D | ℓ 1 | ℓ 2 |
| Φ10 – Φ18 | 2D (Max. 35) | 221 |
| Φ18 – Φ100 | 35 | 221 |
| 57.5 | 243.5 |
Specifications
| Basic specifications | ||||
| Product name | PULCOM BG | |||
| Model | BG-10A-501 | BG-10A-502 | BG-10A-503 | |
| Product code | 0961500 | 0961502 | 0961503 | |
| Repeatability | ≤1.0 μm/25 times | |||
| Measuring force | Without boot*1 | 0.75 N (Φ10 – Φ100) | ||
| With boot | 1 N (Φ20 – Φ100) | |||
| Linearity | Over 0.1%, 1.0% F.S. or less | |||
| Measuring range | ±0.15 mm | |||
| Pre travel (single side) | 0.15 – 0.2 mm | |||
| Measuring diameter | Without boot | Φ10 – Φ100 mm | ||
| With boot | Φ20 – Φ100 mm | |||
| Workpiece shape | Smooth surface | |||
| No. of outputs | 1 | |||
| Contact material | CPX diamond or carbide alloy | |||
| Guide dimensions/shape | Dedicated for one workpiece | |||
| Mounting orientation | Φ80 or less: No limits (must be specified), Over Φ80: Plumb-bob vertical downwards | |||
| Combination floating unit | None | A070511 (direction can be specified) | A070510 (specific direction) | |
| Combination relieving unit | None | A070513 | A070512 | |
| Cable size/length | Φ6 × 3 m | |||
| Weight (for Φ50 measurement)*3 | Approx. 2.0 kg | Approx. 2.1 kg | Approx. 2.4 kg | |
| Weight (main unit only: no guide, finger, contact) | Approx. 1.1 kg | Approx. 1.2 kg | Approx. 1.5 kg | |
| Remarks | Inner diameter, 1-diameter (taper) | |||
Contact your sales representative for measurement workpieces under Φ10
| Basic specifications | |||
| Product name | PULCOM BG | ||
| Model | BG-04 | BG-03 | |
| Product code | 0961400 | 0961300 | |
| Repeatability | ≤1.0 μm/25 times | ||
| Measuring force | Measuring force*1 | 0.75 N | |
| With boot | 1.25 N | ||
| Linearity | Over 0.1%, 1.0% F.S. or less | ||
| Measuring range | ±0.15 mm | ||
| Pre travel (single side) | 0.15 – 0.2 mm | ||
| Supported radius | Φ14 – Φ100 mm | ||
| Workpiece shape | Smooth surface | ||
| No. of outputs | 2*2 | 4*2 | |
| Contact material | CPX diamond or carbide alloy | ||
| Guide dimensions/shape | Dedicated for one workpiece | ||
| Mounting orientation | Φ80 or less: No limits (must be specified), Over Φ80: Plumb-bob vertical downwards | ||
| Combination floating unit | A070510 (direction can be specified) | ||
| Combination relieving unit | A070512 | ||
| Cable size/length | φ 6 × 3 m | ||
| Weight (for Φ50 measurement)*3 | Approx. 3.6 kg | Approx. 4.0 kg | |
| Weight (main unit only: no guide, finger, contact) | Approx. 2.6 kg | Approx. 3.0 kg | |
| Remarks | Inner diameter, 2-diameter (ellipse, taper), center distances | ||
When no boot is provided, the unit is used after the cleaning process.
H46 adapter is required.
The guide, finger and contact are individually designed, so the weight figure is for reference purposes only.
| Basic specifications | |||||
| Product name | FRU (floating relieving unit) | FRU (floating relieving unit) | |||
| Model | A070511 | A070510 | A070513 | A070512 | |
| Product code | 0962511 | 0962510 | 0962513 | 0962512 | |
| Floating | Range | Minimum Φ0.5 | - | ||
| Operating force | 20 N | - | |||
| Relieving | Stroke | 30 mm | 30 mm | ||
| Starting force | 150 N or less | 150 N | |||
| Mounting orientation | No limits (must be specified) | No limits (must be specified) | |||
| Min. mounted distance between centers | 65 mm | 85 mm | 65 mm | 85 mm | |