Precision Measuring Instrument
Post-process
LVDT gauge
Exclusive for Inner diameter measuring
Inner Diameter Measuring Head for Post-process (Exchangeable Guide)
PULCOM BG-100
Features
Ideal for being built-in to facilities
The mounting reference surface is close to the guide section, making it easier to design compact facility layouts. A mode with retract function is also available to protect against insertion traces.
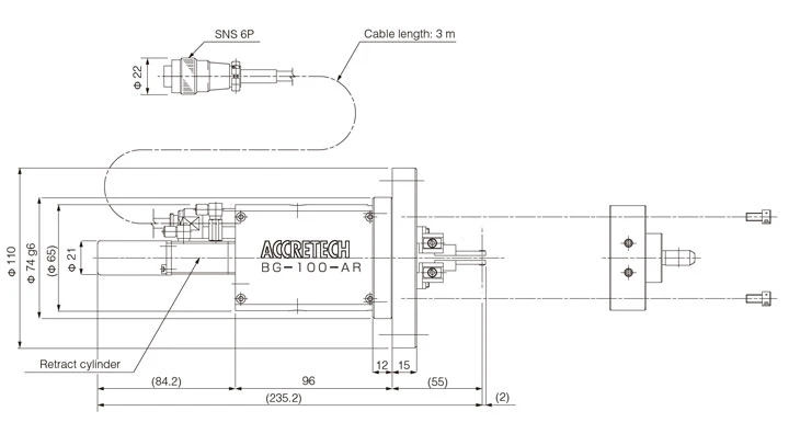
External view
Specifications
| Basic specifications | ||
| Product name | PULCOM BG-100 | |
| Model | BG-100 | BG-100-AG |
| Product code | 0948210 | 0948220 |
| Repeatability | ≦1.0 ㎛/4 σ | |
| Measuring force | 0.75 N | |
| Linearity | 0.1 o/o over 1.0 o/o or less than F.S. | |
| Measuring range | -150 to 150 μm | |
| Pre travel (one side) | 0.15 to 0.2 mm | |
| Supported radius | Φ 3 to Φ 120 (Less than Φ 10 is Special specifications) | |
| Workpiece shape | Continuous surface | |
| Retract type | ー | Air type (retract with air source) |
| Retract amount | ー | 1.5 mm or less |
| Retract mechanism (retract air source) | ー | 0.3 to 0.5 MPa |
| Cable size/length | φ 6 × 3 m | |
| Weight (including cable) | Approx. 3.5 kg | Approx. 3.8 kg |
| No. of outputs | 1 | |