Precision Measuring Instrument
Post-process
LVDT gauge
Exclusive for Inner diameter measuring
Wide range measurement
Inner Diameter Measuring Head for Post-Process
PULCOM BG-141
Features
Automatic centering of Φ1 mm misalignment
The measuring head can be automatically centered after roughly positioning the workpiece on the measuring station.
Automatic Zero Set for Diameter Difference Within 10mm
The unit has movable guides and fingers, enabling changing of setup to be automatically performed for diameter differences of up to 10mm.
*
Air blow to remove the chips before measuring the workpiece is necessary.
*
Depending on the workpiece material, the contact may leave some marks.
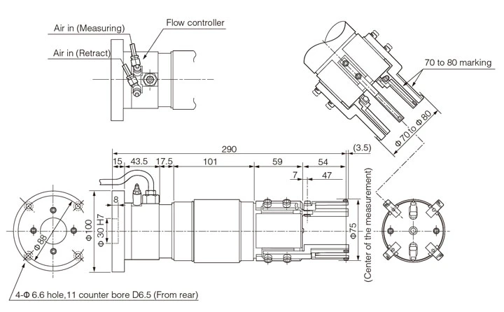
External view
Without floating unit
With floating unit
Specifications
| Basic specifications | |
| Product name | PULCOM BG-141 |
| Model | BG-141 |
| Product code | 0961520 |
| Repeatability | ≤1.5 μm/25 times |
| Measuring force | 1.1 to 1.8 N |
| Linearity | Over 0.1%, 0.5% F.S. or less |
| Measuring range | -5 to +5 mm |
| Pre travel (one side) | 2.8 to 3 mm |
| Supported radius | Φ20 to Φ120 mm |
| Workpiece shape | Continuous surface |
| Retract type | Air type (double-acting) |
| Retract amount | 6 mm or more |
| Retract mechanism (retract air source) | 0.4 to 0.5 MPa |
| Standard finger length | 47 mm |
| Waterproof standard | ー |
| Cable size/length | Φ6 × 3 m |
| Weight (including cable) | Approx. 4.8 kg |
| Number of output | 1 |