Precision Measuring Instrument
In-process
Post-process
LVDT gauge
Long-seller
General-Purpose Measuring Head
PULCOM Γ (E-DT-175A)
Features
Bi-directional Workpiece Detector
The detector is mounted on the blade stand of a comb-teeth-shaped NC lathe, is brought into contact with the workpiece, and the dimensions are controlled by the NC equipment that calculates based on the detected value.
Three-directional Cutting Edge Detector
The detector detects the cutting edge position in three directions X, -X, and Z. Because a precise position and wear amount are fed back to the NC equipment, stable quality NC processing is possible.
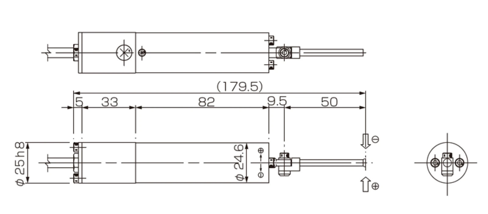
External view
Specifications
| Basic specifications | ||
| Product name | PULCOM Γ | |
| Model | E-DT-175A-S30 | E-DT-175A-S60 |
| Product code | 0951071 | 0951081 |
| Repeatability | ≦1.0 ㎛/4 σ | |
| Measuring force | 0.75 N | |
| Linearity | 1% or less | |
| Measuring range | -1 to +1 mm (excluding -0.1 to +0.1 mm) | |
| Pre travel | ー | |
| Measuring diameter | ー | |
| Workpiece profile | ー | |
| Retract type | ー | |
| Retract amount | ー | |
| Retract mechanism (retract air source) | ー | |
| Standard finger length | ー | |
| Waterproof standard | IP67 compliant | |
| Cable thickness and length | φ 6×3 m | φ 6×6 m |
| Weight (including cable) | 0.57 kg | 0.73 kg |
| No. of outputs | 1 | |