Precision Measuring Instrument
Features
Applications
Ideally suited to in-process measurement of workpieces with simple shapes. Can be combined with ACCRETECH's AE sensor amplifier GE-11 to create small-scale machining systems.

Easy setup
Configuration data can be saved and loaded by USB memory.
Support multi language
You can operate in the local language mode ! In addition to English and Japanese modes (pre-installed as standard), you can choose and use another from Chinese, Korean, Thai, Indonesian, Spanish and Portuguese.
Screen layout for easy operations

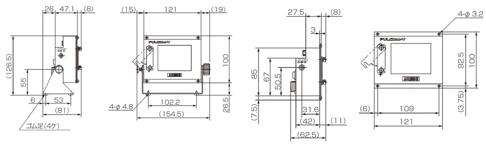
External view


Specifications
✓: Available -: Not available
Basic specifications | |
Product name | PULCOM V2 |
Model number(representative) | E-PV2xx |
Applications | In-process |
Display method | 3.5-inch TFT color LCD |
Display items | measurement result, Item list, Settings |
Measurement value display range | Select from ±50 μm, ±100 μm, ±500 μm, ±800 μm, ±2000 μm, ±3000 μm, and ±5000 μm |
Resolution | 1.0 μm, 0.1 μm |
Display unit | μm, mm |
Human interface | Resistive touch panel |
Sampling speed | 10 ms |
Data update time | 10 ms |
Display separation / panel-type model | - |
IP code | Front panel: IP55 compliant Rear panel: IP non-compliant |
Ambient usage temperature /Humidity | 0 to 50°C / 10 to 90% R.H. (no condensation) |
Vibration resistance/Shock resistance | JIS C1003 compliant |
CE mark | - |
Outer dimensions (W) × (D) × (H) / weight | 121 × 62.5 × 100 mm/0.53 kg |
Power supply / power consumption | DC24 V / 5 W |
Accessories | - |
Options
Option | ||
Product code | Product name | Remarks |
0935410 | STAND 120*100 |
PULCOM V2 stand |
0935414 | I/O CABLE 3 m | I/O optional cable D-SUB 15-pin 3 m |
0935418 | I/O CABLE 6 m | Cable for I/O option D-SUB 15 pin 6 m |
0935411 | 24 V05 A ACPWR |
24 V/0.5 A common AC adapter with Japanese plug |
0935460 | 24 V05 A ACPWR |
24 V/0.5 A common AC adapter with North American plug (UL, CSA standard) |
0935461 | 24 V05 A ACPWR |
24 V/0.5 A common AC adapter with EU plug (CE standard) |
0935462 | 24 V05 A ACPWR |
24 V/0.5 A common AC adapter with Korean plug |
0935463 | 24 V05 A ACPWR |
24 V/0.5 A common AC adapter with Chinese plug (CCC standard) |
4220574 | USB MEMORY 4 GB |
Dedicated USB memory 4 GB |