Features
Support available for diverse applications
This is a highly versatile measuring head. Not to mention height and end face measurement, two units combined can be used for outer diameter and inner diameter measurement.
Rich Lineup
The lineup includes the retract feature built-in type, the discontinuous surface measurement type, the long stroke type, and so on.
High precision, small footprint type
High precision: repeatability of 0.2 μm/4 σ or less
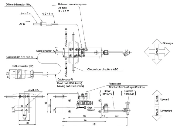
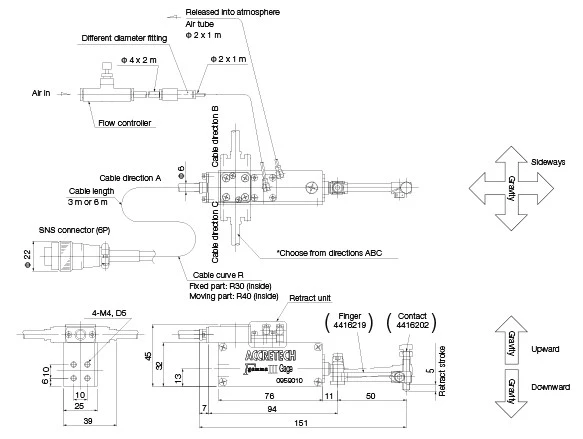
Small footprint: The retract air cylinder is built in to the main unit so that installation is possible in a confined space.
External view
ΓII General-Purpose Model
 
				ΓIII
The high precision cross fulcrum mechanism expands the retract amount with the ΓII size.
 
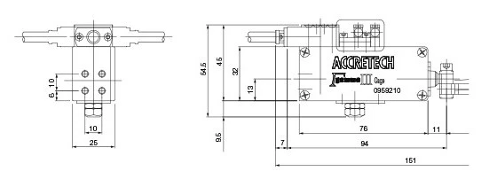
				ΓIII -ARA retract amount adjustable
 
				Specifications
| Basic specifications | ||||||||
| Product name | ΓII-AR-P6 | |||||||
| Model | ΓII-AR-P6 | ΓII-AR-P3 | ΓII-P6 | ΓII-P3 | ΓII-SAR-P6 | ΓII-SAR-P3 | ΓII-S-P6 | ΓII-S-P3 | 
| Product code | 955010 | 955011 | 955020 | 955021 | 955030 | 955031 | 955040 | 955041 | 
| Repeatability | ≤ 0.2 μm/4 σ | |||||||
| Measuring force | 1.5 N (directed downward) | |||||||
| Linearity | More than 0.1% F.S. and up to 0.5% F.S. | |||||||
| Linear range | -500 to 500 μm | |||||||
| Pre travel | 0.45 to 0.55 mm (finger length = 50 mm) | 0.14 to 0.24 mm (finger length = 50 mm) | ||||||
| Support for the diameter difference | - | |||||||
| Diameter difference support range | - | |||||||
| Workpiece profile | Continuous surface | Discontinuous surface | ||||||
| Retract type | Air type (retract by air supply) | |||||||
| Retract amount | 1.0 to 1.25 mm (finger length = 50) | - | 1.0 to 1.25 mm (finger length = 50) | - | ||||
| Retract mechanism (retract air source) | 0.3 to 0.5MPa | - | 0.3 to 0.5MPa | - | ||||
| Standard finger length | 50 mm | |||||||
| Standard finger length | IP67 compliant | |||||||
| Cable thickness and length | φ 6 × 6 m | φ 6 × 3 m | φ 6 × 6 m | φ 6 × 3 m | φ 6 × 6 m | φ 6 × 3 m | φ 6 × 6 m | φ 6 × 3 m | 
| Weight (including cable) | Approx. 0.5 kg | |||||||
| Remarks | - | |||||||
| Basic Specifications | ||||||
| Product name | ΓIII | |||||
| Model | ΓIII-AR-P6 | ΓIII-AR-P3 | ΓIII-SAR-P6 | ΓIII-SAR-P3 | ΓIII-ARA-P6 | ΓIII-ARA-P3 | 
| Product code | 959010 | 959011 | 959030 | 959031 | 959210 | 959211 | 
| Repeatability | ≤ 0.2 μm/4 σ | |||||
| Measuring force | 1.5 N (directed downward) | |||||
| Linearity | More than 0.1% F.S. and up to 0.5% F.S. | |||||
| Linear range | -500 to 1000 μm | |||||
| Pre travel | 0.45 to 0.55 mm (finger length = 50 mm) | 0.14 to 0.24 mm (finger length = 50 mm) | Standard 0.45 to 0.55 mm (finger length = 50 mm) | |||
| Diameter difference support | - | |||||
| Diameter difference support range | - | |||||
| Workpiece profile | Continuous surface | Discontinuous surface | ||||
| Retract type | Air type (retract by air supply) | |||||
| Retract amount | 5.0 to 5.5 mm (finger length = 50) | 5.0 to 5.55 mm when shipped (adjustable by 0 to 5.5 mm) | ||||
| Retract mechanism (retract air source) | 0.3 to 0.5MPa | |||||
| Standard finger length | 50 mm | |||||
| Waterproof standard | IP67 compliant | |||||
| Cable thickness and length | φ 6 × 6 m | φ 6 × 3 m | φ 6 × 6 m | φ 6 × 3 m | φ 6 × 6 m | φ 6 × 3 m | 
| Weight (including cable) | Approx. 0.5 kg | |||||
| Remarks | - | Retract amount adjustable | ||||
 
             
                       
                       
                      