Precision Measuring Instrument
		
		  
		
		
		  
		
	  
	  
	 
            In-process
                        
                            Post-process
                        
                            Wide range measurement
                        
                            LVDT gauge
                        
                            High Accuracy
                        
                    
                Compact Ultra-High Precision Measuring Head (Size Shift)
                    PULCOM Mini Σ-V13
Features
Compact with a Wide Measuring Range
Despite being compact, the need to change the setup is eliminated with a 13 mm measuring range.
High Precision, High Rigidity, and High Durability
Our original fulcrum mechanism delivers high precision even when a size shift is required.
Resistant to Temperature Change
The improved performance of the sensor minimizes the change in measured values that are caused by variations in the ambient temperature.
Workpiece Scratch Prevention
The improved air retract mechanism provides a soft landing on the workpiece.
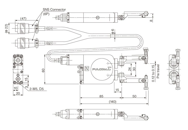
External view
 
				*The figure is for a specification with a finger length of 50 mm.
		Specifications
| Basic specifications | ||||||
| Product name | PULCOM mini Σ-V13-OD-AR | |||||
| Model (vertical inner surface) | E-TV-3161A-P3 | E-TV-3162A-P3 | E-TV-3163A-P3 | |||
| Product code (vertical inner surface) | 0940991 | 0940992 | 0940993 | |||
| Model (horizontal inner surface) | E-TV-3165A-P3 | E-TV-3166A-P3 | E-TV-3167A-P3 | |||
| Product code (horizontal inner surface) | 0940995 | 0940996 | 0940997 | |||
| Repeatability | ≦0.3 ㎛/4 σ | ≦0.5 ㎛/4 σ | ||||
| Measuring force | 0.6 to 2.0 N | 0.6 to 2.2 N | 0.6 to 2.8 N | |||
| Linearity | ー | |||||
| Measuring range | -3 to +3 mm | -4 to +4 mm | -6.5 to +6.5 mm | |||
| Pre travel | 1.62 to 1.65 mm | 2.12 to 2.15 mm | 3.37 to 3.40 mm | |||
| Measuring diameter | φ 1 ~ φ 50 mm | |||||
| Workpiece profile | Continuous surface | |||||
| Retract type | Air type (double-acting) | |||||
| Retract amount | 2.7 to 3.0 mm | 3.2 to 3.5 mm | 4.1 to 4.6 mm | |||
| Retract mechanism (retract air source) | 0.35 to 0.5 MPa (return action) | |||||
| Standard finger length | 35 mm | 50 mm | 65 mm | |||
| Waterproof standard | IP67 compliant | |||||
| Cable thickness and length | φ 6 ~ 3 m | |||||
| Weight (including cable) | Approx. 0.7 kg (main unit 0.4 kg, cable 3 m) | |||||
| No. of outputs | 2 | |||||
| Remarks | Measurement range with the size shift function | |||||
 
                       
                      