Flex Finger
In-process
Post-process
Finger option
Options for Machine Control Gauges

Flex Finger

Features

Reduced Setup Time

Evaluations by users indicate this unit reduces setup changing time from three minutes to one minute. The setup is easy even for an operator who shies away from gage adjustment.

High Precision Support

It is also supported on ΓII, ΓIII-ARA, and Super Σ.There is no deterioration in the precision.

Differences in Diameter of up to 40 mm Can Be Accommodated

There is also a tools specification for an inner diameter, outer diameter, and space-saving.

For the outer diameter
For the outer diameter
For the inner diameter
For the inner diameter
Tools specification (outer/inner diameter)
Tools specification (outer/inner diameter)

External view

Flex Finger External view
Flex Finger External view
Flex Finger External view

Specifications

Basic specifications
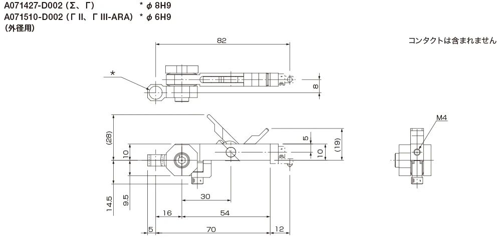
Product name Flex Finger OD Flex Finger ODT Flex Finger ID Flex Finger IDT Flex Finger OD
Model A071427-D002 A071427-D003 A071428-D002 A071428-D003 A071510-D002
Product code 4208160 4208161 4208162 4208163 4488117
Remarks General-purpose outer diameter General-purpose outer diameter, tools specification General-purpose inner diameter General-purpose inner diameter, tools specification For use with ΓII, ΓIII-ARA
+ outer diameter
Basic Specifications
Product name Flex Finger ODT Flex Finger ID Flex Finger IDT ΓII ΓII
Model A071510-D001 A071500-D002 A071500-D001 ΓII-AR-F-P6 ΓII-AR-F-P3
Product code 4488797 4484109 4477135 0955015 0955016
Remarks For use with ΓII, ΓIII-ARA
+ outer diameter, tools specification
For use with ΓII, ΓIII-ARA
+ inner diameter
For use with ΓII, ΓIII-ARA
+ inner diameter, tools specification
ΓII main unit for use with Flex Finger ΓII main unit for use with Flex Finger