Precision Measuring Instrument
In-process
Post-process
LVDT gauge
High Accuracy
Compact Ultra-High Precision Measuring Head (Size Shift)
PULCOM mini Σ-V
Features
Compact with High Precision
This unit achieves high precision with a compact size equivalent to the previous compact head (mini Σ-II).
High Durability and High Rigidity
Our original fulcrum mechanism delivers both high durability and rigidity because of no internal sliding or friction.
Resistant to Temperature Change
The improved performance of the sensor minimizes the change in measured values that are caused by variations in the ambient temperature.
Workpiece Scratch Prevention
The improved air retract mechanism provides a soft landing on the workpiece.
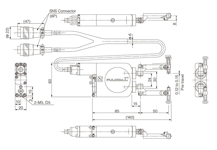
External view
E-TV-5152A, 5156A
*The figure is for a specification with a finger length of 50 mm.
E-TV-5162A, 5166A
E-TV-5182A, 5186A
Specifications
| Basic specifications | ||||||
| Product name | PULCOM mini Σ-V-OD | PULCOM mini Σ-V-OD-AR | ||||
| Model (vertical inner surface) | E-TV-5151A-P3 | E-TV-5152A-P3 | E-TV-5153A-P3 | E-TV-5161A-P3 | E-TV-5162A-P3 | E-TV-5163A-P3 |
| Product code (vertical inner surface) | 0940961 | 0940962 | 0940963 | 0940971 | 0940972 | 0940973 |
| Model (horizontal inner surface) | E-TV-5155A-P3 | E-TV-5156A-P3 | E-TV-5157A-P3 | E-TV-5165A-P3 | E-TV-5166A-P3 | E-TV-5167A-P3 |
| Product code (horizontal inner surface) | 0940965 | 0940966 | 0940967 | 0940975 | 0940976 | 0940977 |
| Repeatability | ≦1.0 ㎛/4 σ | ≦0.2 ㎛/4 σ | ||||
| Measuring force | 0.75 N | |||||
| Linearity | Over 0.1% and less than or equal to 0.5% F.S. | |||||
| Measuring range | -0.1 to +0.5 mm | |||||
| Pre travel | 0.12 to 0.15 mm | |||||
| Measuring diameter | φ 1 to φ 50 mm | |||||
| Workpiece profile | Continuous surface | |||||
| Retract type | ー | Air type (measure with the air supply) | ||||
| Retract amount | ー | 3 mm or less | 3.5 mm or less | 4 mm or less | ||
| Retract mechanism (retract air source) | ー | 0.35 ~ 0.5 MPa | ||||
| Standard finger length | 35 mm | 50 mm | 65 mm | 35 mm | 50 mm | 65 mm |
| Waterproof standard | IP67 compliant | |||||
| Cable thickness and length | φ 6 to 3 m | |||||
| Weight (including cable) | Approx. 0.7 kg (main unit 0.4 kg, cable 3 m) | |||||
| No. of outputs | 2 | |||||
| Remarks | The retract amount is adjustable when shipped (the values above are the maximum values) | |||||
| Basic specifications | ||||||
| Product name | PULCOM mini Σ-V-ID-AR | |||||
| Model (vertical inner surface) | E-TV-5181A-P3 | E-TV-5182A-P3 | E-TV-5183A-P3 | |||
| Product code (vertical inner surface) | 0940981 | 0940982 | 0940983 | |||
| Model (horizontal inner surface) | E-TV-5185A-P3 | E-TV-5186A-P3 | E-TV-5187A-P3 | |||
| Product code (horizontal inner surface) | 0940985 | 0940986 | 0940987 | |||
| Repeatability | ≦0.3 ㎛/4 σ | |||||
| Measuring force | 0.75 N | |||||
| Linearity | Over 0.1%, 0.5% F.S. or less | |||||
| Measuring range | -0.1 to +0.5 mm | |||||
| Pre travel | 0.12 to 0.15 mm | |||||
| Measuring diameter | φ 3 to φ 50 mm | |||||
| Workpiece profile | Continuous surface | |||||
| Retract type | Air type (measure with the air supply) | |||||
| Retract amount | 3 mm or less | 3.5 mm or less | 4 mm or less | |||
| Retract mechanism (retract air source) | 0.35 to 0.5 MPa | |||||
| Standard finger length | 35 mm | 50 mm | 65 mm | |||
| Waterproof standard | IP67 compliant | |||||
| Cable thickness and length | φ 6 ~ 3 m | |||||
| Weight (including cable) | Approx. 0.7 kg (main unit 0.4 kg, cable 3 m) | |||||
| No. of outputs | 2 | |||||
| Remarks | The retract amount is adjustable when shipped (the values above are the maximum values) | |||||