Precision Measuring Instrument
In-process
Post-process
High Accuracy
LVDT gauge
Long-seller
High Precision Outer Diameter and Inner Diameter Measuring Head
PULCOM Super Σ
Features
0.1 μm In-Line Repeat
The repeatability accuracy is 0.1 μm/4σ.
Resistant to Temperature Change
The fluctuation in the measured value is 0.5 μm or less when the ambient temperature varies by 10℃.
*
This is the measured value in the environment designated by us using the standard finger stylus.
Extended Idling Not Required
The fluctuation in the measured values 10 minutes after the power is turned on is 0.1 μm or less.
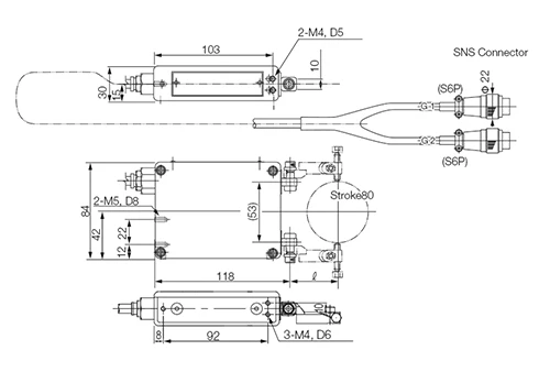
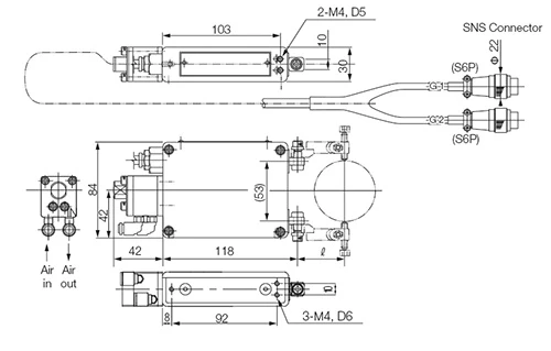
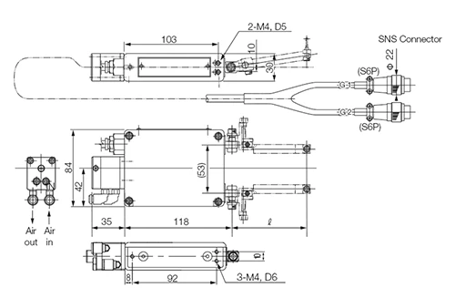
External view
E-TS-7151 、7152 、7155 、7156
E-TS-7161 、7162 、7165 、7166
E-TS-7181 、7182 、7185 、7186
Specifications
| Basic specifications | ||||||||
| Product name | PULCOM Super Σ-OD | |||||||
| Model | E-TS-7151-P3 | E-TS-7151-P6 | E-TS-7152A-P3 | E-TS-7152A-P6 | E-TS-7155A-P3 | E-TS-7155A-P6 | E-TS-7156A-P3 | E-TS-7156A-P6 |
| Product code | 0948001 | 0948002 | 0948003 | 0948004 | 948006 | 0948007 | 0948005 | 0948010 |
| Repeatability | ≤ 0.1 μm/4 σ | |||||||
| Measuring force | 0.75 N | |||||||
| Linearity | 0.5% or less | |||||||
| Measuring range | - | |||||||
| Pre travel (one side) | 0.12 to 0.15 mm | 0.19 to 0.24 mm | 0.12 to 0.15 mm | 0.19 to 0.24 mm | ||||
| Measuring diameter | φ 8 to φ 65 mm | |||||||
| Workpiece profile | Continuous surface Cylinder outer diameter |
|||||||
| Retract type | - | |||||||
| Retract amount (one side) | - | |||||||
| Retract mechanism (retract air source) |
- | |||||||
| Standard finger length | 42 mm | 82 mm | 42 mm | 82 mm | ||||
| Waterproof standard | IP67 compliant | |||||||
| Cable thickness and length | φ 8 × 3 m | φ 8 × 6 m | φ 8 × 3 m | φ 8 × 6 m | φ 8 × 3 m | φ 8 × 6 m | φ 8 × 3 m | φ 8 × 6 m |
| No. of outputs | 2 | |||||||
| Weight (including cable) | Approx. 1.3 kg | |||||||
| Basic specifications | ||||||||
| Product name | PULCOM Super Σ-OD-AR | |||||||
| Model | E-TS-7161-P3 | E-TS-7161-P6 | E-TS-7162A-P3 | E-TS-7162A-P6 | E-TS-7165A-P3 | E-TS-7165A-P6 | E-TS-7166A-P3 | E-TS-7166A-P6 |
| Product code | 0948011 | 0948012 | 0948013 | 0948014 | 0948015 | 0948016 | 0948017 | 0948018 |
| Repeatability | ≤ 0.2 μm/4 σ | |||||||
| Measuring force | 0.75 N | |||||||
| Linearity | 0.5% or less | |||||||
| Measuring range | - | |||||||
| Pre travel (one side) | 0.12 to 0.15 mm | 0.19 to 0.24 mm | 0.12 to 0.15 mm | 0.19 to 0.24 mm | ||||
| Measuring diameter | φ 8 to φ 65 mm (post process: φ 1 to φ 65 mm) | |||||||
| Workpiece profile | Continuous surface Cylinder outer diameter/outer width |
|||||||
| Retract type | Air type (measure with the air supply) | |||||||
| Retract amount (one side) | ≤ 1.5 mm | ≤ 2.4 mm | ≤ 1.5 mm | ≤ 2.4 mm | ≤ 1.5 mm | ≤ 2.4 mm | ≤ 1.5 mm | ≤ 2.4 mm |
| Retract mechanism (retract air source) |
0.3 to 0.5 MPa | |||||||
| Standard finger length | 42 mm | 82 mm | 42 mm | 82 mm | ||||
| Waterproof standard | IP67 compliant | |||||||
| Cable thickness and length | φ 8 × 3 m | φ 8 × 6 m | φ 8 × 3 m | φ 8 × 6 m | φ 8 × 3 m | φ 8 × 6 m | φ 8 × 3 m | φ 8 × 6 m |
| No. of outputs | 2 | |||||||
| Weight (including cable) | Approx. 1.3 kg | |||||||
| Basic specifications | ||||||||||||
| Product name | PULCOM Super Σ-OD-AR | |||||||||||
| Model | E-TS-7181-P3 | E-TS-7181-P6 | E-TS-7182A-P3 | E-TS-7182A-P6 | E-TS-7185A-P3 | E-TS-7185A-P6 | E-TS-7186A-P3 | E-TS-7186A-P6 | E-TS-7182A-N3 | E-TS-7182A-N6 | E-TS-7186A-N3 | E-TS-7186A-N6 |
| Product code | 0948021 | 0948022 | 0948023 | 0948024 | 0948025 | 0948026 | 0948027 | 0948028 | 0948030 | 0948031 | 0948032 | 0948033 |
| Repeatability | ≤ 0.2 μm/4 σ | |||||||||||
| Measuring force | 0.75 N | |||||||||||
| Linearity | 0.5% or less | |||||||||||
| Measuring range | - | |||||||||||
| Pre travel (one side) | 0.12 to 0.15 mm | 0.19 to 0.24 mm | 0.12 to 0.15 mm | 0.19 to 0.24 mm | ||||||||
| Measuring diameter | φ 3 to φ 65 mm | |||||||||||
| Workpiece profile | Continuous surface Cylinder outer diameter/ outer width |
|||||||||||
| Retract type | Air type (measure with the air supply) | |||||||||||
| Retract amount (one side) | ≤ 1.5 mm | ≤ 2.4 mm | ≤ 1.5 mm | ≤ 2.4 mm | ||||||||
| Retract mechanism (retract air source) |
0.3 to 0.5 MPa | |||||||||||
| Standard finger length | 42 mm | 82 mm | 42 mm | 82 mm | ||||||||
| Waterproof standard | IP67 compliant | |||||||||||
| Cable thickness and length | φ 8 × 3 m | φ 8 × 6 m | φ 8 × 3 m | φ 8 × 6 m | φ 8 × 3 m | φ 8 × 6 m | φ 8 × 3 m | φ 8 × 6 m | φ 8 × 3 m | φ 8 × 6 m | φ 8 × 3 m | φ 8 × 6 m |
| No. of outputs | 2 | |||||||||||
| Weight (including cable) | Approx. 1.3 kg | |||||||||||